Форум о музыке и аудиотехнике Sound Space



Часовой пояс: UTC + 3 часа




Начать новую тему Ответить на тему  [ Сообщений: 201 ]  На страницу Пред.  1, 2, 3, 4, 5, 6, 7  След.
Автор Сообщение
 Заголовок сообщения: FISHER CA M-300, похоже ему хана...
Непрочитанное сообщениеДобавлено: 24 май 2025, 22:26 
Забанен навсегда
Аватара пользователя

Возраст: 111
Откуда: Moskau

На форуме с
Сообщений: 5525
Его благодарили: 1072
Я бы купил силовой трансформатыр от мюзе кальныго цэньтюра, чтобы на выходе выпрямителя было гденть +/-33...35.
Мюзе кальных цэньтюров лет 20 назад было много, большинство уже сдохло, трансформатыры попадаются, они вполне годные, как правило. Я с полдюжины в целях личной наживы уже употребил.

-----------------
Глухой.


  Не в сети Профиль  
 
 Заголовок сообщения: FISHER CA M-300, похоже ему хана...
Непрочитанное сообщениеДобавлено: 25 май 2025, 13:22 
Аватара пользователя
Имя: игорь
Возраст: 59
Откуда: Казахстан Петропавловск

На форуме с
Сообщений: 465
Его благодарили: 92
Горрыныч писал(а):
Для начала тотально пропаять всю плату усилителя
Сборка выпаяна , разобрана , выгорели транзисторы выходные и предвыходные одного канала . Была мысль её восстановить , потом подумал , что в родном виде они не ходят , бросил эту идею .


  Не в сети Профиль  
 
 Заголовок сообщения: FISHER CA M-300, похоже ему хана...
Непрочитанное сообщениеДобавлено: 25 май 2025, 13:25 
Аватара пользователя
Имя: игорь
Возраст: 59
Откуда: Казахстан Петропавловск

На форуме с
Сообщений: 465
Его благодарили: 92
Phlanger писал(а):
бы купил силовой трансформатыр от мюзе кальныго цэньтюра

Хотелось бы оставить родной транс . А то начнутся слесарные работы с крепежом .


  Не в сети Профиль  
 
 Заголовок сообщения: FISHER CA M-300, похоже ему хана...
Непрочитанное сообщениеДобавлено: 26 май 2025, 07:23 
Аватара пользователя


На форуме с
Сообщений: 731
Его благодарили: 60
гаррик, китаец L15. Мне приносили в ремонт крок 800 допиленный такими платами. Питание там, по-моему, 55 вольт на плечо. Работал стабильно. Правда когда выход коротнули (дебил вкорячевший туда платы не осилил подключение защиты) полыхнуло так, что плату одного канала пришлось выбросить. Младшую версию этой схемы (с двумя выходниками), хвалят люди...


  Не в сети Профиль  
 
 Заголовок сообщения: FISHER CA M-300, похоже ему хана...
Непрочитанное сообщениеДобавлено: 26 май 2025, 07:26 
Аватара пользователя


На форуме с
Сообщений: 731
Его благодарили: 60
https://aliexpress.ru/item/1005002389402076.html?ysclid=mb4knzk5jc47209294&sku_id=12000020477017247
Здесь, правда, уж сильно дорого. Они бывают дешевле...


  Не в сети Профиль  
 
 Заголовок сообщения: FISHER CA M-300, похоже ему хана...
Непрочитанное сообщениеДобавлено: 26 май 2025, 13:50 
Аватара пользователя
Автор темы

Имя: Дмитрий
Возраст: 49
Откуда: С-Петербург

На форуме с
Сообщений: 911
Его благодарили: 159
Сделал схему как было. земля на корректор и входы как я понял приходила через экран РГ...
(красное это дороги, синее это проволока). Этой платой займусь сегодня.
На текущий момент земля корпуса, АС и на мощник с одной точки. Далее с мощника на край платы где РГ, Убрал большую перемычку от края платы к центру, вместо нее поставил маленькую (зеленый пунктир). В общем при закороченных входах ниче не меняется, все равно фон 50 Гц остается, шумы исчезли совсем. Но сильно тише чем исче совсем не давно. Динамик на расстоянии 20-30 см при любом уровне РГ. Если на вытянутой руке то не слышно. Сегодня попробую с платой корректора пошаманить, выведу землю "до конденсатора"... (тогда учитывая шлейф петля получится огроменная). Или перестраивать цепочку по другому: БП- пред-плата корректора/входов-УМ. На корпус кидаться с корректора/входов

Вложение:
Земля было.jpg
Земля было.jpg [ 388.49 КБ | Просмотров: 1921 ]


  Не в сети Профиль Профиль на discogs.com (откроется в новом окне) Моя система (откроется в новой вкладке)  
 
 Заголовок сообщения: FISHER CA M-300, похоже ему хана...
Непрочитанное сообщениеДобавлено: 26 май 2025, 17:59 
Аватара пользователя
Имя: игорь
Возраст: 59
Откуда: Казахстан Петропавловск

На форуме с
Сообщений: 465
Его благодарили: 92
Каметон писал(а):
гаррик, китаец L15.
К сожалению места в усилителе не хватит .


  Не в сети Профиль  
 
 Заголовок сообщения: FISHER CA M-300, похоже ему хана...
Непрочитанное сообщениеДобавлено: 26 май 2025, 23:21 
Аватара пользователя
Автор темы

Имя: Дмитрий
Возраст: 49
Откуда: С-Петербург

На форуме с
Сообщений: 911
Его благодарили: 159
Буду реализовывать по этой схеме.

Вложение:
Земля будет.jpg
Земля будет.jpg [ 424.68 КБ | Просмотров: 1896 ]


При сборке ушатал керамическую оксидно алюмитовую прокладку на ТДА... Так шо эффект от переделки пока неизвестен.

Или на корпус кидать в самом конце исключив конденсатор?


  Не в сети Профиль Профиль на discogs.com (откроется в новом окне) Моя система (откроется в новой вкладке)  
 
 Заголовок сообщения: FISHER CA M-300, похоже ему хана...
Непрочитанное сообщениеДобавлено: 26 май 2025, 23:34 
Аватара пользователя
Автор темы

Имя: Дмитрий
Возраст: 49
Откуда: С-Петербург

На форуме с
Сообщений: 911
Его благодарили: 159
гаррик писал(а):
К сожалению места в усилителе не хватит .


L 12


  Не в сети Профиль Профиль на discogs.com (откроется в новом окне) Моя система (откроется в новой вкладке)  
 
 Заголовок сообщения: FISHER CA M-300, похоже ему хана...
Непрочитанное сообщениеДобавлено: 27 май 2025, 05:26 
Аватара пользователя


На форуме с
Сообщений: 731
Его благодарили: 60
гаррик, или L7. У меня, кстати, лежат платы. Но руки пока не доходят...


  Не в сети Профиль  
 
 Заголовок сообщения: FISHER CA M-300, похоже ему хана...
Непрочитанное сообщениеДобавлено: 27 май 2025, 15:48 
Аватара пользователя
Автор темы

Имя: Дмитрий
Возраст: 49
Откуда: С-Петербург

На форуме с
Сообщений: 911
Его благодарили: 159
Финальная, если и эта не поможет, потом уже только экранирование трансформатора

Вложение:
Земля будет 2.jpg
Земля будет 2.jpg [ 430.4 КБ | Просмотров: 1853 ]


  Не в сети Профиль Профиль на discogs.com (откроется в новом окне) Моя система (откроется в новой вкладке)  
 
 Заголовок сообщения: FISHER CA M-300, похоже ему хана...
Непрочитанное сообщениеДобавлено: 28 май 2025, 03:25 
Забанен навсегда
Аватара пользователя

Возраст: 111
Откуда: Moskau

На форуме с
Сообщений: 5525
Его благодарили: 1072
Это поиски вслепую. Иногда получается, да.
Но я же методу описал. Желательно сначала найти место, где оно появляется.
На плате УМа, соотв., две земли. Одна в районе правой обкладки конденсатора 47 мкФx50 Вольт, который вот тут
download/file.php?id=131238&t=1
справа.
Вот она, сдаётца мне, должна идти на плату предусилителя. И никто к ней по дороге прилипать не должен.

-----------------
Глухой.


  Не в сети Профиль  
 
 Заголовок сообщения: FISHER CA M-300, похоже ему хана...
Непрочитанное сообщениеДобавлено: 28 май 2025, 13:05 
Аватара пользователя
Автор темы

Имя: Дмитрий
Возраст: 49
Откуда: С-Петербург

На форуме с
Сообщений: 911
Его благодарили: 159
В общем я реализовал обе схемы, максимум - еле слышный рокот 50 Гц (проверял по микрофону через приложуху для настройки гитары) с метра от маленького динамика. Отключенная плата входов/корректора и откинутые/демонтированные провода от преда к мощнику, РГ на минимум ситуацию не меняют (как и вставленные перемычки во входы УМ). Если откинуть выход на акустику, плату входов/корректора и отключить мощник полностью (от питания, акустики, выхода преда) и взять сигнал с преда на внешний усилитель, все тоже самое. Т.е наводка сидит где то в предусилителе. Попробую поиграть с проводами идущими на РГ, там экран распаян у самого регулятора, а к входу подрублен только по одному каналу, чтоб небыло петли. Вчера времени уже не хватило. Сегодня сдерну эти кабели, посмотрю че будет.
Поэтому есть мысль, что мощник лишь усиливает эту херню, причем с отрубленными входами... Мож это стабилитроны на входе стаба шумят, которыми входное понижаем, чтоб L7918 не возбуждалась? Надо наверно тогда попробовать транс открутить и отодвинуть, он не он.... Точняк!!!


  Не в сети Профиль Профиль на discogs.com (откроется в новом окне) Моя система (откроется в новой вкладке)  
 
 Заголовок сообщения: FISHER CA M-300, похоже ему хана...
Непрочитанное сообщениеДобавлено: 28 май 2025, 22:59 
Аватара пользователя
Автор темы

Имя: Дмитрий
Возраст: 49
Откуда: С-Петербург

На форуме с
Сообщений: 911
Его благодарили: 159
Phlanger писал(а):
Вот она, сдаётца мне, должна идти на плату предусилителя. И никто к ней по дороге прилипать не должен.


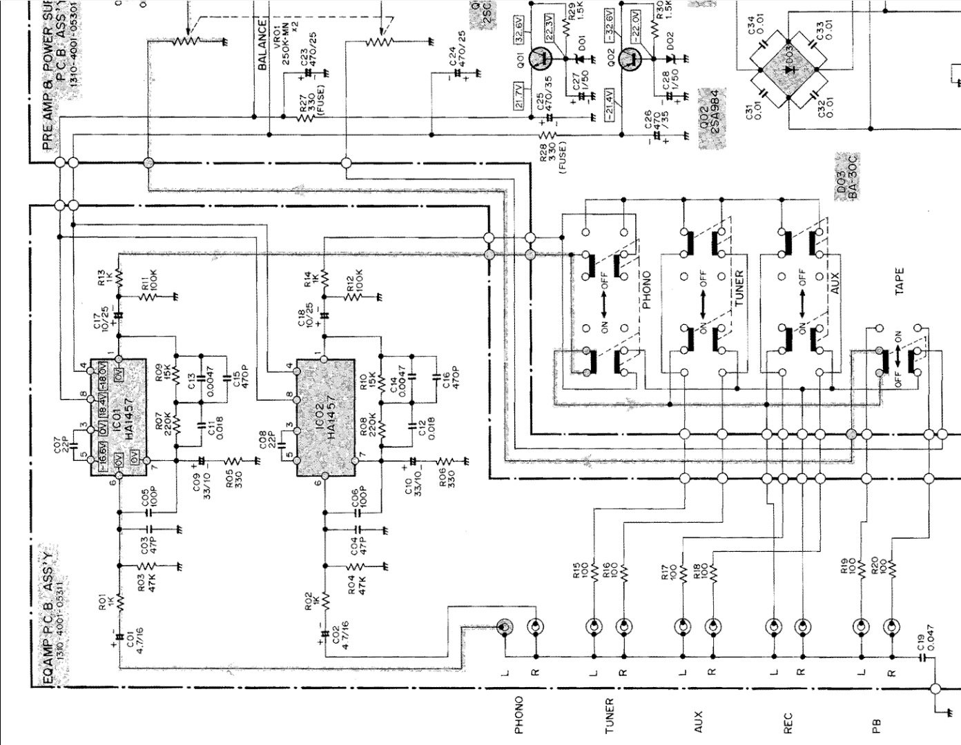
И вдобавок начитавшись "этих ваших интырнетов", решил разделить "сигнальную" и силовую земли, пошел от начала, тоесть платы входов\корректора... Возникли новые обстоятельства :)
Короче силовая (та, что с С23,24 идет через шлейф с основной платы и запросто звониться с корпусами коннекторов RCA. По факту на печатке платы они объеденены и потом уже через С19 идет на корпус. На схеме из СМ все не так. Корпуса RCA земляться отдельно через C19 и с силовой землей не связаны. Че делать?
Реализовать как на схеме не составляет труда - три надреза, перенос конденсатора, и одна перемычка. Но тогда вопрос.
Может правильней будет как на приведенном ресунке "что усиливает опер".
Все корпуса RCA, R03. C03 на корпус а C09 через R05 на силовую. Если оставить С09 с R05 на сигнальной, тогда силовая земля с шлейфа никуда не приходит (R11, 12 выкинуты после модернизации).
Посоветуйте как тут разделить.

Вложение:
111.jpg
111.jpg [ 364.76 КБ | Просмотров: 1784 ]


  Не в сети Профиль Профиль на discogs.com (откроется в новом окне) Моя система (откроется в новой вкладке)  
 
 Заголовок сообщения: FISHER CA M-300, похоже ему хана...
Непрочитанное сообщениеДобавлено: 28 май 2025, 23:03 
Аватара пользователя
Имя: Александр
Откуда: Москва

На форуме с
Сообщений: 1786
Его благодарили: 703
Дим, давай начинай от мощника. Отсоединяй остальные блоки, и слушай. И так по порядку, до самого входа.

-----------------
Лучшее - враг хорошего!


  Не в сети Профиль  
 
 Заголовок сообщения: FISHER CA M-300, похоже ему хана...
Непрочитанное сообщениеДобавлено: 29 май 2025, 00:10 
Аватара пользователя
Автор темы

Имя: Дмитрий
Возраст: 49
Откуда: С-Петербург

На форуме с
Сообщений: 911
Его благодарили: 159
Откинуто все шо можно, мощник запитан (и заземлен на корпус) и присоединен к акустическим терминалам. 50Гц тока если динамик поднести к уху (динамик 8 см). Мож это нормально? (корочение входов УМ никчему не приводит).
Вынос трансформатора за корпус (с контактом на корпус) так же ни на что не влияет.

Вложение:
WhatsApp Image 2025-05-28 at 23.59.08.jpeg
WhatsApp Image 2025-05-28 at 23.59.08.jpeg [ 179.87 КБ | Просмотров: 1782 ]


  Не в сети Профиль Профиль на discogs.com (откроется в новом окне) Моя система (откроется в новой вкладке)  
 
 Заголовок сообщения: FISHER CA M-300, похоже ему хана...
Непрочитанное сообщениеДобавлено: 29 май 2025, 09:22 
Аватара пользователя
Имя: Александр
Откуда: Москва

На форуме с
Сообщений: 1786
Его благодарили: 703
На мощник подаем только питание. Заземление на корпус в блоке питания. Вход закорочен.

-----------------
Лучшее - враг хорошего!


  Не в сети Профиль  
 
 Заголовок сообщения: FISHER CA M-300, похоже ему хана...
Непрочитанное сообщениеДобавлено: 29 май 2025, 12:43 
Аватара пользователя
Автор темы

Имя: Дмитрий
Возраст: 49
Откуда: С-Петербург

На форуме с
Сообщений: 911
Его благодарили: 159
Саша я так и делаю, только выходной сигнал проходит через Цобеля на плате "БП+пред", релюху и переключалки. Можно послушать сразу с мощника не прогоняя сигнал через основную плату, вечером попробую.


  Не в сети Профиль Профиль на discogs.com (откроется в новом окне) Моя система (откроется в новой вкладке)  
 
 Заголовок сообщения: FISHER CA M-300, похоже ему хана...
Непрочитанное сообщениеДобавлено: 29 май 2025, 23:48 
Аватара пользователя
Автор темы

Имя: Дмитрий
Возраст: 49
Откуда: С-Петербург

На форуме с
Сообщений: 911
Его благодарили: 159
Все откинуто (даже питание на стабилизаторы), все закорочено. В общем мост, две банки по 8000 и мощник со своими двумя 1000, динамик припаян сразу на мощник, на входе припаяна перемычка. Рокот если динамик к уху (ну так сантимов за 10-15). Наверно так и должно быть.


  Не в сети Профиль Профиль на discogs.com (откроется в новом окне) Моя система (откроется в новой вкладке)  
 
 Заголовок сообщения: FISHER CA M-300, похоже ему хана...
Непрочитанное сообщениеДобавлено: 30 май 2025, 00:19 
Аватара пользователя
Имя: Александр
Откуда: Москва

На форуме с
Сообщений: 1786
Его благодарили: 703
Так не должно быть! Это с какого еще перепуга то, в ас должен быть фон? Там тишина должна быть, просто гробовая. Надо искать причину . Надо! Кондеры то в питании нормальные? У меня , буквально на днях, был такой случай , когда вдруг ни с того ни с сего заревел фонокорректор. Причина — сдох кондер в питании на 1000 мкф. Обрыв.

-----------------
Лучшее - враг хорошего!


  Не в сети Профиль  
 
 Заголовок сообщения: FISHER CA M-300, похоже ему хана...
Непрочитанное сообщениеДобавлено: 30 май 2025, 01:11 
Аватара пользователя
Автор темы

Имя: Дмитрий
Возраст: 49
Откуда: С-Петербург

На форуме с
Сообщений: 911
Его благодарили: 159
Кондеры непростые, низкопрофильные, такой 35х30 на 10000 будет полтора рубля стоить, но дело в поставке -6 мес.
Короче надо поэкспериментировать. Купить на 5000 по сто рублей пару или в шкафу порыться, че-то вроде от Эстонии 010 пара банок должна быть


  Не в сети Профиль Профиль на discogs.com (откроется в новом окне) Моя система (откроется в новой вкладке)  
 
 Заголовок сообщения: FISHER CA M-300, похоже ему хана...
Непрочитанное сообщениеДобавлено: 30 май 2025, 07:17 
Модератор
Аватара пользователя
Имя: Владимир.
Откуда: СПб. Колпино.

На форуме с
Сообщений: 12890
Его благодарили: 6342
Может какой диод в мосту течет?

-----------------
Лужу-паяю, ЭВМ починяю.


  Не в сети Профиль Профиль на discogs.com (откроется в новом окне) Моя система (откроется в новой вкладке)  
 
 Заголовок сообщения: FISHER CA M-300, похоже ему хана...
Непрочитанное сообщениеДобавлено: 30 май 2025, 12:14 
Аватара пользователя
Автор темы

Имя: Дмитрий
Возраст: 49
Откуда: С-Петербург

На форуме с
Сообщений: 911
Его благодарили: 159
Горрыныч писал(а):
Может какой диод в мосту течет?

О! Че, такое бывает? А то банки по сносной цене я на алике нашел, ничикон старой серии LS, по габаритам заходят (35х30). Исче нашел старую самоделку, там два по 63х2200. Понятно, что для усилителя под нагрузкой это маловато, но на эксперимент сойдет.


  Не в сети Профиль Профиль на discogs.com (откроется в новом окне) Моя система (откроется в новой вкладке)  
 
 Заголовок сообщения: FISHER CA M-300, похоже ему хана...
Непрочитанное сообщениеДобавлено: 30 май 2025, 18:29 
Аватара пользователя


На форуме с
Сообщений: 731
Его благодарили: 60
Тоже про диоды моста подумал. Такое бывает нечасто, но бывает.


  Не в сети Профиль  
 
 Заголовок сообщения: FISHER CA M-300, похоже ему хана...
Непрочитанное сообщениеДобавлено: 30 май 2025, 21:39 
Аватара пользователя
Имя: Павел
Возраст: 59
Откуда: солнечная Хакасия

На форуме с
Сообщений: 2661
Его благодарили: 574
metal-daze писал(а):
Кондеры непростые, низкопрофильные, такой 35х30 на 10000 будет полтора рубля стоить, но дело в поставке -6 ес.

ой да полноте вам
вот https://www.ozon.ru/product/prinadlezhn ... 795643832/
оху...й перемаркер за копейки
это не чемикон, это какая-то шляпа с нев...ыми параметрами, заказывал неоднократно


  Не в сети Профиль  
 
 Заголовок сообщения: FISHER CA M-300, похоже ему хана...
Непрочитанное сообщениеДобавлено: 31 май 2025, 22:08 
Аватара пользователя
Автор темы

Имя: Дмитрий
Возраст: 49
Откуда: С-Петербург

На форуме с
Сообщений: 911
Его благодарили: 159
я че-то очкую в плече с напругой 32V ставить кондер на 35 V....

:comandos: В общем какое-то волшебство, поставил новый мост на 2А и две банки 63V2200UF, ниче не поменялось, абсолютно. Вспомнил про софт-старт, отключил D07-08, пох.... все так-же. Остался последний вариант, запитать все от транса 2х21 от какой то веги ПКД-121, тда вроде стартует от 10V по даташит.
Парни! Я может херней тут занимаюсь, нехочу тут за троля сойти, я напомню, гружу усь не акустикой, а маленьким автодинамиком. Не должна наверно тишина быть полная. Нуя по крайней мере таких интегральников еще не встречал. Мож херовые интегральники....

Вложение:
222.jpg
222.jpg [ 291.82 КБ | Просмотров: 1636 ]


Вложения:
444.jpg
444.jpg [ 213.77 КБ | Просмотров: 1636 ]
  Не в сети Профиль Профиль на discogs.com (откроется в новом окне) Моя система (откроется в новой вкладке)  
 
 Заголовок сообщения: FISHER CA M-300, похоже ему хана...
Непрочитанное сообщениеДобавлено: 01 июн 2025, 00:02 
Аватара пользователя
Имя: Александр
Откуда: Москва

На форуме с
Сообщений: 1786
Его благодарили: 703
Нет, нет, и еще раз да! Нет — не должно быть в динамиках никакого стрекота, и да — можно ставить кондер на 35 вольт в питание 32 вольта. Если кондер не совсем левый, то будет работать нормально, и при напряжении 40 вольт. У кондеров есть запас по вольтажу. Мне приходилось иметь дело с Quad 405. В нем стоят банки на 50 в, а напруга на них была 53 вольта. И ничего страшного не случилось за много лет эксплуатации. Вообщем вытаскивай свой модуль на TDA из Фишера, и запитывай его от другого источника питания. Вот и увидим, вернее услышим, что получится. Я вчера сделал усилок на 7294. Я ухо в колонку запихнул! Думал, что усилок из режима Mute почему то не вышел. Вышел. Еще как вышел. Когда палец ко входу поднес…….

-----------------
Лучшее - враг хорошего!


  Не в сети Профиль  
 
 Заголовок сообщения: FISHER CA M-300, похоже ему хана...
Непрочитанное сообщениеДобавлено: 01 июн 2025, 07:28 
Аватара пользователя


На форуме с
Сообщений: 731
Его благодарили: 60
Цитата:
запитать все от транса 2х21 от какой то веги ПКД-121
попробовать можно. Главное правильный вывод сделать. Дефект не ушел: дело в самой плате оконечника. Дефект ушёл: ничего не значит, так как при ином питании дефект может себя и не проявлять.


  Не в сети Профиль  
 
 Заголовок сообщения: FISHER CA M-300, похоже ему хана...
Непрочитанное сообщениеДобавлено: 01 июн 2025, 07:34 
Аватара пользователя


На форуме с
Сообщений: 731
Его благодарили: 60
Цитата:
и да — можно ставить кондер на 35 вольт в питание 32 вольта
спорное заявление. Из моей практики других примеров не мало. Левый, правый... Тут ведь ещё какой момент, что значат эти написанные вольты...


  Не в сети Профиль  
 
 Заголовок сообщения: FISHER CA M-300, похоже ему хана...
Непрочитанное сообщениеДобавлено: 01 июн 2025, 08:58 
Злобный модератор
Аватара пользователя

Откуда: Город бесов

На форуме с
Сообщений: 25125
Его благодарили: 6036
Каметон писал(а):
Тут ведь ещё какой момент, что значат эти написанные вольты...

Берем, например, Эпкос и смотрим даташит. Там чётко всё расписано


Вложения:
Screenshot_20250601_105521_Chrome.jpg
Screenshot_20250601_105521_Chrome.jpg [ 392.17 КБ | Просмотров: 1611 ]

-----------------
Как модератор форума я рад любому вкладу, независимо от того, насколько он деструктивен.
  Не в сети Профиль Моя система (откроется в новой вкладке)  
 
Показать сообщения за:  Поле сортировки  
Начать новую тему Ответить на тему  [ Сообщений: 201 ]  На страницу Пред.  1, 2, 3, 4, 5, 6, 7  След.

Часовой пояс: UTC + 3 часа


Кто сейчас на форуме

Сейчас этот форум просматривают: нет зарегистрированных пользователей и гости: 5


Вы не можете начинать темы
Вы не можете отвечать на сообщения
Вы не можете редактировать свои сообщения
Вы не можете удалять свои сообщения
Вы не можете добавлять вложения

Найти:
Перейти:  

Создано на основе phpBB® Forum Software © phpBB Group
© 2013-2020 Sound Space - форум о музыке и аудиотехнике
Разработка логотипа - artcore.top

    hosted by .masterhost