|
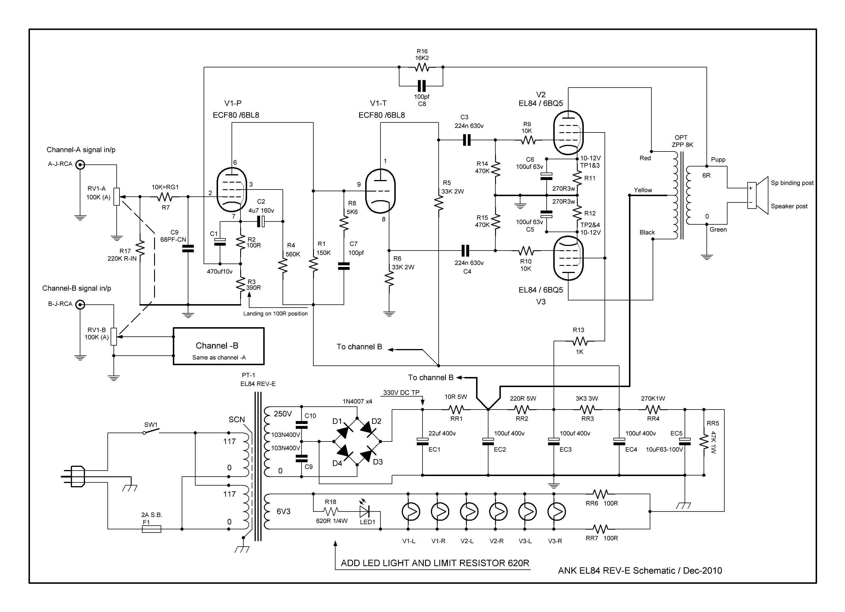
Прочитав положительные отзывы о простой , но отлично звучащей конструкции С. Сидорова на EL84 , решил повторить этот вариант . Купил готовую плату на Али (5т.р.) , заказал в ALTaudio трансы : силовой (5т.р.) и выходные (10т.р.) , поместил все это в корпус от Амфитона-А1(1,5т.р.). Регулятор громкости пока не ставил , т.к. источник с регулируемым выходом , лампы пока поставил советские 6ф1п+6п14п , предварительно подобрал их по режиму. После включения сразу все заработало , режимы ламп установились , питание анодов получилось 315в. В динамиках на выходе , на удивление , полная тишина и отсутствие фона. На осцилографе получил синусоиду неискаженную 10вольт , что соответствует мощности 10вт. Подключил на вход источник Raspberry+502Dac , на выход Diatone ds-73d , послушал. Звук порадовал , бас , ВЧ , всего достаточно , сравнивал с Sansui au-907f , достойный конкурент . Данную конструкцию можно рекомендовать для повторения тем , кто хочет собрать довольно качественный ламповик , не заморачиваясь подбором деталей , монтажом и прочими сложностями при построении лампового усила. Есть в наличии вых трансы от японского усила Leben-300 , буду пробовать подключить их вместо Аудиоальтов , также в планах прикупить лампы EL84 и ECF80 на замену советским и на вход альпс.. Возможно , соберу второй экземпляр , т.к. знакомый , послушав , подумывает о покупке этого варианта .
| Вложения: |

IMG_20210126_104527.jpg [ 486.64 КБ | Просмотров: 2249 ]
|

IMG_20210126_104439.jpg [ 427.95 КБ | Просмотров: 2249 ]
|
|