Sound Space
https://audioes.ru/

Ламповые фонокорректоры на дроссельных и трансформаторных
https://audioes.ru/viewtopic.php?f=16&t=9264
Страница 1 из 2

Автор:  sound [ 24 апр 2018, 14:46 ]
Заголовок сообщения:  Ламповые фонокорректоры на дроссельных и трансформаторных

Вложение:
№ 1.JPG
№ 1.JPG [ 179.25 КБ | Просмотров: 13620 ]
Привет всем, вниманию форума предлагаются ламповые фонокорректоры на дроссельных и трансформаторных каскадах.
Корректор для винила это больная тема для всех меломанов, аудиофилов и просто любителей музыки. Впервые мысль применять трансформаторные каскады появилась после того как прочёл статью «ФИЛОСОФИЯ SPB SOUND» ,посмотреть можно здесь http://spbsound.narod.ru/SPbSound/pages/spbphil.htm . В этой статье говорится о преимуществе, в плане КПД, трансформаторного каскада над резистивным каскадом. Главная идея заключена в следующей фразе “в трансформаторном каскаде 9/10 мощности сигнала достигает нагрузки (пусть даже при 1/10 потерь в трансформаторе), а в резистивно-емкостном – лишь 1/11 часть (остальные 10/11 выделяются на анодном резисторе впустую!) .
В связи с этим возникла мысль – если трансформаторный каскад настолько эффективнее, в плане КПД, резистивного каскада, то и усиливать звук он будет гораздо эффективнее. Математического аппарата, позволяющего оценить эту эффективность, на сегодня просто нет, или я об этом просто не знаю. Затем нашел работы Susumy Sakuma , посмотреть можно здесь http://www10.big.or.jp/~dh/work/pre.html , оказалось что свои корректора он строит по этой же идеологии, т.е. на трансформаторных каскадах. Собственно говоря это было последней каплей и я решил проверить свои предположения на практике. Первым был собран макет, фото ниже, на четырёх лампах 6С45П и одной 6Н6П. Результаты превзошли все ожидания, получившийся звук просто завораживал, почитать о звуке моих корректоров можно здесь http://hi-fidelity-forum.com/forum/thread-89654.html .
Хочу поделиться своими наработками в этой области.
Выкладываю фото некоторых корректоров, принципиальные схемы и моточные данные.
Отвечу на конструктивные вопросы.
На вопросы умников отвечать не буду.
Дерзайте, пробуйте, результат вас не разочарует, всем успехов в творчестве.

Моточные данные макета

моточные данные :
- первого каскада
30Гн; I≤0,01 А; (ПЛ 20 х 20)
Δf – 16Гц ÷ 70 кГц; (АЧХ каскада ) Rн = 110 кОм ;
– 5000 вит. Ø 0,09 мм;
- второго каскада
27,6 Гн; 4450 Ом; I≤0,01 А; n = 0,62; (Ш 20 х 20)
Δf – 13Гц ÷ 23 кГц; (АЧХ каскада ) Rн = 3,3 k Ω ; К = 17,5
I – 5466 вит. Ø 0,08 мм; II – 3390 вит.; Ø 0,12 мм;

- третьего каскада
40 Гн; 4450 Ом; I≤0,01 А; n = 0,22; (Ш 20 х 20)
Δf – 13Гц ÷ 20 кГц; (АЧХ каскада ) Rн = 2,7 k Ω ; К = 8,0
I – 6000 вит. Ø 0,08 мм; II – 2220 вит.; Ø 0,11 мм;

Моточные данные корректора на 6Ф12П с (ТВ3 - Ш)
1. моточные данные :
- первого каскада
89 Гн; R= 3490 Ом; I≤0,01 А; (ТВ3 – Ш)
Δf – 19Гц ÷ 26 кГц; Rн = 110 кОм ; (триод)
I – 9725 вит. Ø 0,09 мм;
- второго каскада
88 Гн; R= 4450 Ом; I≤0,01 А; n = 0,22; (ТВ3 – Ш)
Δf – 13Гц ÷ 16 кГц; Rн = 620 Ω ; (пентод триодом)
I – 9672 вит. Ø 0,08 мм; II – 2130 вит.; Ø 0,12 мм;
Все дросселя мотаются в навал, а у трансформаторов и первичка и вторичка имеют по 6 одинаковых секций,
прокладка между всеми секциями - 0,15 мм.
В итоге получился компактный фонокорректор с очень приличным звуком, и такие корректора как EAR 834, PPROJECT TUBE BOX SE II переигрывает.
Фото и схема ниже.

Усиление корректора - 41 дб ( при 5 мВ на входе на
выходе 600 мВ);
Уровень фона - 56 дб.
Вложение:
6Ф12П.JPG
6Ф12П.JPG [ 158.42 КБ | Просмотров: 13620 ]


Вложения:
№ 2.JPG
№ 2.JPG [ 184.69 КБ | Просмотров: 13620 ]
Бюджет. кор-р 6Ф12П монт.lay [63.45 КБ]
Скачиваний: 341
Бюджет. кор-р 6Ф12П монт.lay [63.45 КБ]
Скачиваний: 304
Макет RIAA кор_ра с авт.gif
Макет RIAA кор_ра с авт.gif [ 62.74 КБ | Просмотров: 13620 ]
DSCN3262b.JPG
DSCN3262b.JPG [ 189.82 КБ | Просмотров: 13620 ]

Автор:  sound [ 25 апр 2018, 18:56 ]
Заголовок сообщения:  Ламповые фонокорректоры на дроссельных и трансформаторных

Вложение:
монтаж.jpg
монтаж.jpg [ 63.46 КБ | Просмотров: 13530 ]
Наиболее оптимальным с точки зрения цена/качество можно считать корректор на 6С45П. Этот корректор имеет очень приличный звук.
Моточные данные корректора на 6С45П с (ТВ3 - Ш)
Трансформаторы :
- первого каскада
33,5 Гн; 1460 Ом; I≤0,02 А; n = 1,4; ТВ3 - Ш
Δf – 14Гц ÷ 37 кГц; Rн = 13,8 кОм ; К = 37,8 (6С45П)
I – 5200 вит. Ø 0,09 мм; II – 7300 вит.; Ø 0,07 мм;
- второго каскада
47 Гн; 1910 Ом; I≤0,02 А; n = 0,636; ТВ3 - Ш
Δf – 13Гц ÷ 24 кГц; Rн = 10 кОм ; К = 29
I – 6060 вит. Ø 0,09 мм; II – 3852 вит.; Ø 0,12 мм;

2. Дроссели:
- первого каскада пит-я 10 Гн; 285 Ом; Ш 16 х24 (ТВЗ1-9); Io≤ 20 mA; 3500 вит. ; Ø 0,16 мм
- второго каскада пит-я 10 Гн; 285 Ом; Ш 16 х24 (ТВЗ1-9); Io≤ 20 mA; 3500 вит. ; Ø 0,16 мм

Фото и схема ниже.

Вложения:
DSCN4149a.JPG
DSCN4149a.JPG [ 78.83 КБ | Просмотров: 13530 ]
DSCN4159a.JPG
DSCN4159a.JPG [ 79.71 КБ | Просмотров: 13530 ]
схема.GIF
схема.GIF [ 49.42 КБ | Просмотров: 13530 ]

Автор:  sound [ 26 апр 2018, 14:08 ]
Заголовок сообщения:  Ламповые фонокорректоры на дроссельных и трансформаторных

Забыл выложить вид на печать.

Вложения:
Бюдж-й кор-р вид на печать. 6C45П.lay [91.16 КБ]
Скачиваний: 333

Автор:  santafe [ 26 апр 2018, 16:58 ]
Заголовок сообщения:  Ламповые фонокорректоры на дроссельных и трансформаторных

так ака Стародубцев и делал трансформаторный выход уже давно , уж года 4 имею его творение , в частности гораздо богаче звук чем у корректора Василича

Автор:  sound [ 28 апр 2018, 16:08 ]
Заголовок сообщения:  Ламповые фонокорректоры на дроссельных и трансформаторных

Привет всем участникам форума! Следующим по качеству звука был 3-х каскадный корректор. Применение 3 -х каскадов
позволило создать низкоомный тракт и в связи с этим позволило в 10 раз уменьшить самый большой, по номиналу, резистор в
цепи коррекции, что положительно сказалось на качестве звука. Кроме этого низкоомный тракт значительно снизил чувствительность корректора к наведённым фонам от электромагнитных полей, до такой степени, что позволило не экранировать
цепи коррекции. Звук получился более энергичным и собранным, но эту разницу можно оценить только при непосредственном
сравнении с 2-х каскадным корректором.

Вложения:
Фото0149a.jpg
Фото0149a.jpg [ 82.96 КБ | Просмотров: 13378 ]
Фото0131a.jpg
Фото0131a.jpg [ 71.14 КБ | Просмотров: 13378 ]
Фото0130a.jpg
Фото0130a.jpg [ 94.19 КБ | Просмотров: 13378 ]
RC riaa 3 k.GIF
RC riaa 3 k.GIF [ 71.31 КБ | Просмотров: 13378 ]

Автор:  sound [ 01 май 2018, 22:05 ]
Заголовок сообщения:  Ламповые фонокорректоры на дроссельных и трансформаторных

Привет всем, вниманию форума предлагается трёхкаскадный ламповый фонокорректор на трансформаторных каскадах с LR коррекцией. Корректор собран на шести лампах 6Э6П-Е. Собрать такой корректор захотелось, чтобы на практике проверить разницу между RC, LRC и LR коррекцией. В результате получился корректор представленный ниже.
Что касается схемы, то в этом корректоре отсутствует не только разделительный конденсатор после первого каскада, но и конденсаторы в цепях коррекции, что самым положительным образом отразилось на звуке. В цепи катода первой лампы и в цепи смещения второго и третьего каскадов стоят конденсаторы Nichikon Muse B P.
Что касается звука этого корректора, то он гораздо лучше звука корректоров с RC коррекцией и немного лучше корректора с LRC коррекцией. Конкретно отличие от LRC коррекции состоит в том что LR корректор имеет абсолютно кристально чистый звук и обладает немного большей глубиной и телесностью звуков. Честно говоря, ожидал гораздо большее различие, возможно, это связано с тем, что в LRC коррекции уже есть одна индуктивность, заменяющая резистор самого большого номинала.
Усиление корректора - 44,4 дб ( при 5 мВ на входе на выходе 830 мВ);
Уровень фона - минус 58,4 дб.
Уровень шума - минус 67,8 дб.
Габариты:
- корректора 400 х 290 х 130
- блока питания 174 х 290 х 130
Вес:
- корректора 18 кг
- блока питания 8,5 кг
Фото и схема ниже.

Вложения:
вид спереди 1.JPG
вид спереди 1.JPG [ 87.57 КБ | Просмотров: 13317 ]
задний вид 1.JPG
задний вид 1.JPG [ 86.77 КБ | Просмотров: 13317 ]
монтаж 1.JPG
монтаж 1.JPG [ 84.79 КБ | Просмотров: 13317 ]
схема корректора LR.GIF
схема корректора LR.GIF [ 70.87 КБ | Просмотров: 13317 ]

Автор:  станислав л. [ 05 май 2018, 20:27 ]
Заголовок сообщения:  Ламповые фонокорректоры на дроссельных и трансформаторных

Добрый вечер уважаемые форумчане.Вчера Владимир выложил на ваше обозрение 3-х каскадный фонокорректор, обладателем которого я и являюсь.Хочу поделиться впечатлениями, тем более , что находится он у меня более двух лет.Скажу сразу , корректор я заказал только после того , как купил вертушку соотвествующего класса (MICRO-BL101).Слушаю я в основном джазовых тёток, под настоение и под рюмку коньяку можно и тяжеляк, благо с соседями повезло.Сцена, детальность,настроение здесь всё есть, но это не главное, звук подаётся вальяжно и не побоюсь этого слова - породисто ,тем более,что тракт у меня очень даже сромненький. По ньюансам: фона, как такового вообще нет, блок питания не гудит, как впрочем и сам корректор,продавать или менять желания не возникало. Прошу общество не судить за слог,пишу впервые.

Автор:  sound [ 28 июн 2018, 13:13 ]
Заголовок сообщения:  Ламповые фонокорректоры на дроссельных и трансформаторных

Привет всем обитателям форума ! Вниманию форума предлагается ещё один LR riaa корректор, он собран на шести лампах 6С3П. Собрал его так как хотел услышать звук корректора, собранного на триодах с внутренним сопротивлением 5 кОм. Пришлось изготовить сложные трансформаторы, L первички более 70 Гн.
Самым интересным оказался полученных звук - по энергетике он конечно, самую малость, проиграл предидущему корректору,
однако в звуке появилась некоторая утончённость и изысканность звуков, ярче проявились нюансы тихих звуков.
По степени вовлечения он превзошел предидущий корректор.
В итоге получился корректор со следующими параметрами:
- коэффициент усиления Kус.= 146 раз = 43 дб
(при входном сигнале 5 мВ, на выходе 730 мВ);
- уровень фона Uф = ~ 1 мВ = - 61,6 дб;
- уровень взвешенного шума Uш = ~ 0,36 мВ = - 66,7 дб.
Корректор поехал в Воронеж, возможно там и будет жить.
Надеюсь что скоро появится отзыв о его работе.
Фото и схема ниже.

Вложения:
1 общий вид .JPG
1 общий вид .JPG [ 91.68 КБ | Просмотров: 12881 ]
3 вид сзади .jpg
3 вид сзади .jpg [ 77.04 КБ | Просмотров: 12881 ]
4 монтаж .jpg
4 монтаж .jpg [ 77.71 КБ | Просмотров: 12881 ]
LR riaa на 6С3П.GIF
LR riaa на 6С3П.GIF [ 70.28 КБ | Просмотров: 12881 ]

Автор:  sound [ 12 июл 2018, 11:50 ]
Заголовок сообщения:  Ламповые фонокорректоры на дроссельных и трансформаторных

Привет всем обитателям форума ! Теперь определилась судьба корректора из предыдущего сообщения. Новый обладатель
корректора, Евгений, прислал мне на почту отзыв о своих впечатлениях о звуке этого корректора. В связи с дефицитом времени,
он доверил мне разместить свой отзыв, что я и делаю, см. вложение. Он также прислал фото своей системы, в связи с интересом,
который она у меня вызвала, выкладываю фото стола и системы.

Вложения:
система .JPG
система .JPG [ 93.64 КБ | Просмотров: 12730 ]
стол .jpg
стол .jpg [ 94.88 КБ | Просмотров: 12730 ]
Отзыв.GIF
Отзыв.GIF [ 71.06 КБ | Просмотров: 12730 ]

Автор:  Unison57 [ 12 июл 2018, 13:03 ]
Заголовок сообщения:  Ламповые фонокорректоры на дроссельных и трансформаторных

Любопытно...даже очень.

Автор:  sound [ 29 ноя 2018, 20:47 ]
Заголовок сообщения:  Ламповые фонокорректоры на дроссельных и трансформаторных

Unison57 писал(а):
Любопытно...даже очень.


Привет всем обитателям этого форума! Наконец то нашлось время собрать тракт для оцифровки винила. Поэтому появилась
возможность ознакомить всех желающих со звуком фонокорректоров на трансформаторных каскадах. Собранный тракт позволил оцифровать некоторые песни известных исполнителей. Их можно скачать и послушать по ссылке https://yadi.sk/d/fEXiXF1hhif6lQ или https://dropmefiles.com/w66DP
Речь идёт о следующих исполнителях:
01 Dire Straits
02 The Beatles
03 Hotel California.
04 Boney M мелодия
05 The Clarke_Duke
06 Getz Gilbe
07 Subramaniam мелодия
08 Робертино Лорети мелодия
Ссылка на dropmefiles действительна 14 дней.

Оцифровка проводилась на следующем оборудовании:
1.Вертушка Marantz Model 6100;
2.Картридж Denon DL 103;
3.MC трансформаторы https://www.hi-fi.ru/auction/detail/1083442
4.LR Фонокорректор http://www.diyaudio.ru/forum/index.php?topic=4535.60
из сообщения #89;
5.Звуковая карта E-MU 0404;
6.Ноутбук с установленной программмой Sound Forge 10.

Относительно оцифровок могу сказать, что я категорически против оценки, с их помощью, качества звука фонокорректора. Однако они дают некоторое понимание характера звука, поэтому представляю их для ознакомления.

Автор:  sound [ 01 май 2019, 18:06 ]
Заголовок сообщения:  Ламповые фонокорректоры на дроссельных и трансформаторных

Привет всем обитателям форума, появилось время для доработки своего домашнего LR корректора.
Поставил внутрь МС трансформаторы и переключатель входов ММ и МС.
Кроме этого, изменил схему подачи смещения, в результате чего уровень фона уменьшился на
1,9 дб ( ~ 1,25 раза).

В итоге получился корректор со следующими параметрами:
- чувствительность входов ММ – 3,2 мВ; (на выходе 775 мВ)
- чувствительность входов ММ – 0,37 мВ; (на выходе 775 мВ)
- коэффициент усиления Kус.= 240 раз = 47.6 дб
(при входном сигнале 5 мВ, на выходе 1200 мВ);
- уровень фона Uф = ~ 0.8 мВ = - 63,5 дб;
- уровень взвешенного шума Uш = ~ 0,3 мВ = - 72 дб.
Фото и схема прилагается. :D

Вложения:
MC MM fono c LR для hi-fi.GIF
MC MM fono c LR для hi-fi.GIF [ 77.67 КБ | Просмотров: 11882 ]
IMG_1137b.jpg
IMG_1137b.jpg [ 93.02 КБ | Просмотров: 11882 ]
IMG_1155a.jpg
IMG_1155a.jpg [ 94.43 КБ | Просмотров: 11882 ]
IMG_1141a.jpg
IMG_1141a.jpg [ 94.58 КБ | Просмотров: 11882 ]

Автор:  sound [ 21 дек 2019, 20:31 ]
Заголовок сообщения:  Ламповые фонокорректоры на дроссельных и трансформаторных

Привет всем обитателям этого форума, год заканчивается, закончен ещё один корректор.
На свет появился корректор с топологией раздельное моно. Корректор собран на лампах 6Э6П-ДР. Он имеет 5 входов ( 3 – ММ, 1- МС и 1- AUX), выбор которых производится коммутатором, собранном на герконовых реле, а также 3 раздельных выхода. Также имеется коммутация входного сопротивления. Корректор имеет два режима работы – триодный или пентодный, которые выбираются отдельным переключателем. Кроме этого имеется отдельный каскад для телефонов с сопротивлением 200 Ом, а также режим Mute. Все звуковые трансформаторы корректора имеют К.П.Д.= 0,8. Подсветку ламп можно отрегулировать любую, с помощью трёх регуляторов на задней панели. Что касается звука, в сравнении моими корректорами, то хотелось бы отметить значительное увеличение пространства и звуковых образов.
Короче, захотелось и себе сделать корректор с топологией раздельное моно.

Технические характеристики фонокорректора:

1.Чувтвительноссть входов ММ – 4,5 мВ (на выходе 775 мВ)

2.Чувтвительноссть входа МС – 0,38 мВ ( на выходе 775 мВ)

3.Чувствительность входа AUX – 260 мВ;

4.Полоса воспроизводимых частот:

- для входов ММ триодный режим (по -3 дб) Δf кГц;– 8 Гц – 23,5 кГц;

- для входов ММ пентодный режим ( по -3 дб) Δf – 30 Гц – 37 кГц;

- для входа МС соответствует входам ММ;

- для канала телефонов со входа AUX (по -3 дб) Δf кГц;– 8 Гц – 21 кГц;

5.Уровень фона минус 63,0 дб ( 0,6 мВ на выходах корректора что

в 1433 раза меньше уровня полезного сигнала);

6.Уровень шума минус 71 дб ( 0,34 мВ на выходах корректора, что

в 4850 раз меньше уровня полезного сигнала).

Фото и функциональная схема в приложенных файлах.

Поздравляю всех с наступающим Новым годом!!!

Вложение:
внешний вид.jpg
внешний вид.jpg [ 78.73 КБ | Просмотров: 11246 ]

Вложение:
внешний вид 1.jpg
внешний вид 1.jpg [ 94.8 КБ | Просмотров: 11246 ]

Вложение:
блок питания 1.jpg
блок питания 1.jpg [ 94.44 КБ | Просмотров: 11246 ]

Вложение:
монтаж a.jpg
монтаж a.jpg [ 97.45 КБ | Просмотров: 11246 ]

Вложение:
ММ - МС riaa схема.GIF
ММ - МС riaa схема.GIF [ 50.54 КБ | Просмотров: 11246 ]

Автор:  sound [ 02 янв 2020, 15:11 ]
Заголовок сообщения:  Ламповые фонокорректоры на дроссельных и трансформаторных

По этой ссылке https://dropmefiles.com/SFHxD можно послушать оцифровки этого корректора, ссылка действительна 7 дней.

Вложения:
Новый рисунок 1.GIF
Новый рисунок 1.GIF [ 99.38 КБ | Просмотров: 10945 ]

Автор:  алек-сей [ 02 янв 2020, 16:13 ]
Заголовок сообщения:  Ламповые фонокорректоры на дроссельных и трансформаторных

На некоторых записях(в этой уточно услышал Отель Калифорния), как будто разфазировка сигнала в записи на триоде и уровни разные. В пентодном режиме нет такого :?

Автор:  sound [ 14 мар 2020, 14:11 ]
Заголовок сообщения:  Ламповые фонокорректоры на дроссельных и трансформаторных

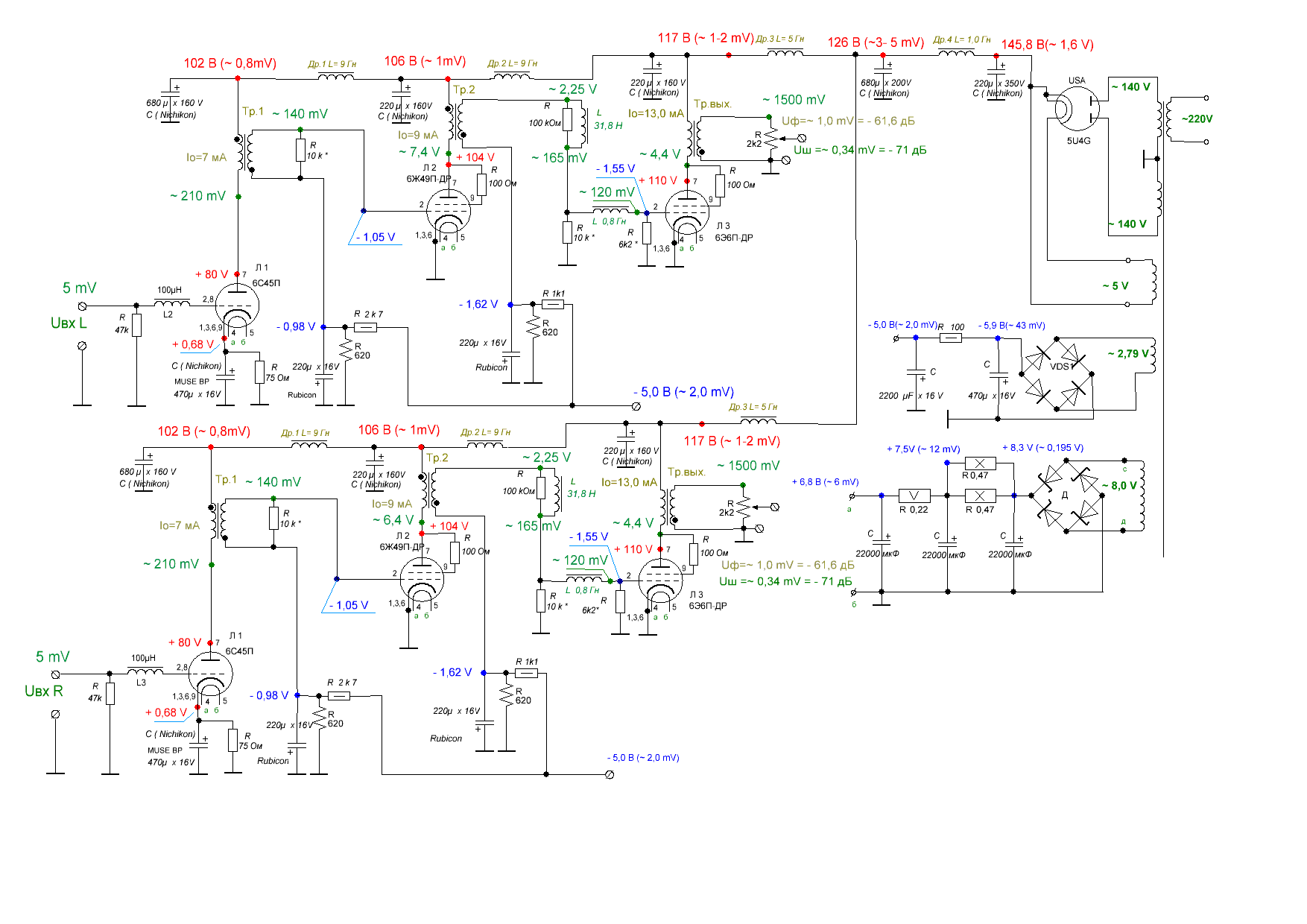
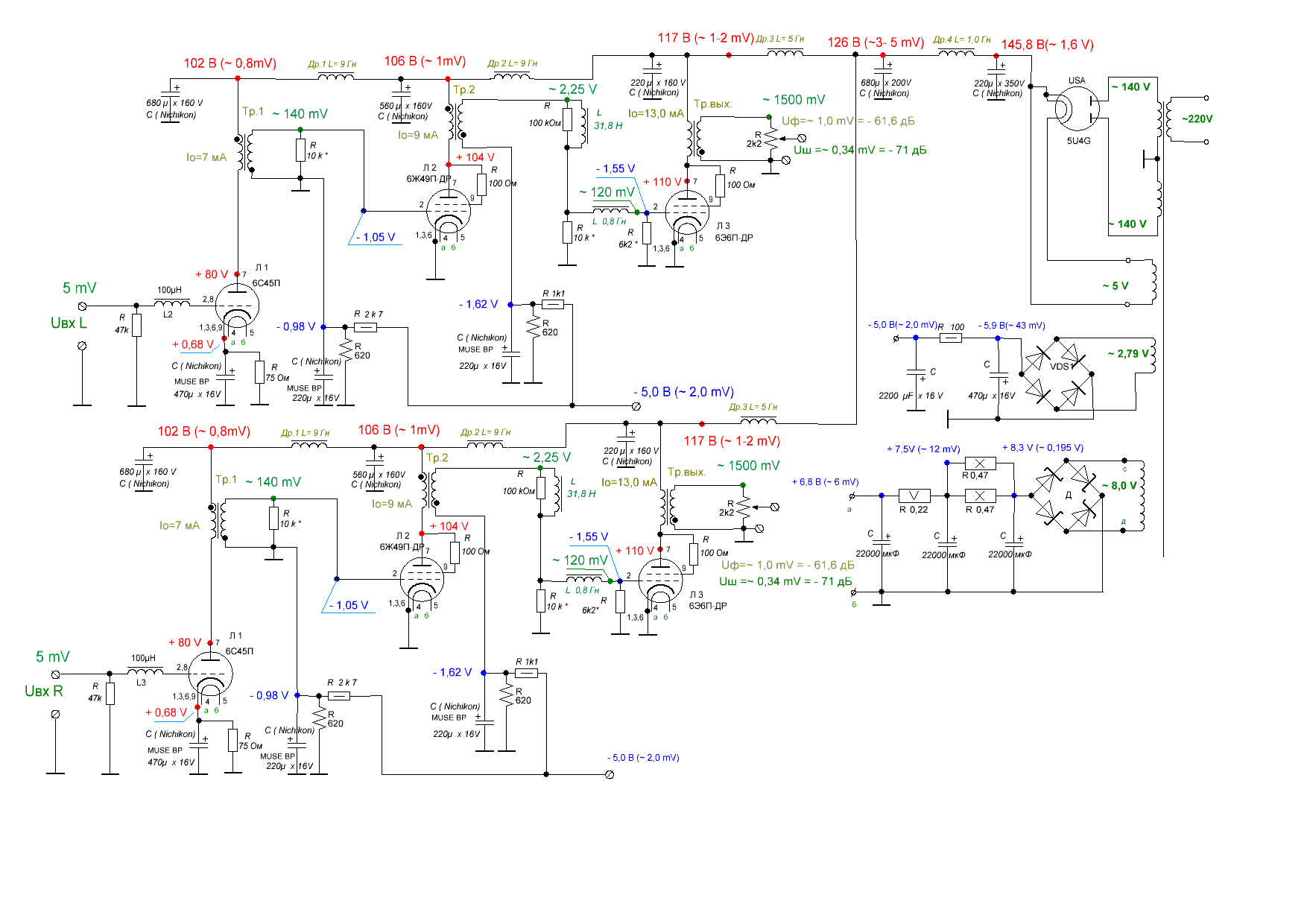
Привет всем обитателям этого форума. На свет появился ещё один корректор. Жить будет в Астрахани. Корректор собран на 2 лампах 6С45П, 2 лампах 6Ж49П-ДР и 2 лампах 6Э6П-ДР. Корректор ММ с LR коррекцией. На выходе имеются регуляторы уровня (на ПП3-40). Все звуковые трансформаторы корректора имеют К.П.Д.= 0,8. Отличие от предыдущих корректоров в конструкции трансформаторов второго и третьего каскада. Трансформатор второго каскада рассчитан на нагрузку 600 Ом, а трансформатор третьего каскада имеет выход 775 мВ и 1500 мВ. низкоомный выход трансформатора второго каскада обеспечил более низкую чувствительность к внешним магнитным наводкам. Что касается звука, то он стал более плотным и появилось небольшое увеличение пространства и звуковых образов.
В итоге получился корректор со следующими параметрами:
- чувствительность входов ММ – 5 мВ (на выходе 1500 мВ);
- коэффициент усиления Kус.= 300 раз = 49.5 дб;
- уровень фона Uф = ~ 1,0 мВ = - 63,5 дб;
- уровень взвешенного шума Uш = ~ 0,3 мВ = - 74 дб.
По этой ссылке https://dropmefiles.com/Z1BcZ можно послушать оцифровки этого корректора. Ссылка действительна 7 дней.
Фото и схема прилагается. Будем надеяться, появится отзыв о его работе.

Вложения:
оцифровки.GIF
оцифровки.GIF [ 15.36 КБ | Просмотров: 10563 ]
Схема LR Павел.GIF
Схема LR Павел.GIF [ 74.93 КБ | Просмотров: 10563 ]
IMG_1409d.JPG
IMG_1409d.JPG [ 96.8 КБ | Просмотров: 10563 ]
IMG_1414b.jpg
IMG_1414b.jpg [ 93.87 КБ | Просмотров: 10563 ]

Автор:  samar [ 14 мар 2020, 19:45 ]
Заголовок сообщения:  Ламповые фонокорректоры на дроссельных и трансформаторных

sound писал(а):
По этой ссылке https://dropmefiles.com/Z1BcZ можно послушать оцифровки этого корректора

Спасибо, послушал. Для кругозора хотелось бы знать с какой вертушки и головы снят звук?
На моих системах. звук не порадовал.

Автор:  sound [ 14 мар 2020, 21:51 ]
Заголовок сообщения:  Ламповые фонокорректоры на дроссельных и трансформаторных

Цитата:
Цитата:
Спасибо, послушал. Для кругозора хотелось бы знать с какой вертушки и головы снят звук?
На моих системах. звук не порадовал.


Оцифровка проводилась на следующем оборудовании:

1.Вертушка Marantz Model 6100;

2.Картридж Denon DL 103;

3.MC трансформаторы https://www.hi-fi.ru/auction/detail/1083442

4.Звуковая карта E-MU 0404;

5.Ноутбук с установленной программмой Sound Forge 10.

Автор:  МихаилБ [ 15 мар 2020, 04:17 ]
Заголовок сообщения:  Ламповые фонокорректоры на дроссельных и трансформаторных

Здравствуйте
МС трансформатор универсальный 1.5 \ 10 \ 40 ОМ можете изготовить?

Автор:  Сидоров СА [ 15 мар 2020, 08:17 ]
Заголовок сообщения:  Ламповые фонокорректоры на дроссельных и трансформаторных

Ошибка на принципиальной схеме ,смещение Л2 сейчас ноль вольт...???Надо убрать землю с вторичной обмотки Тр1... :2piv:
Попутана полярность некоторых электролитов в цепях смещения...

Автор:  Визатор [ 15 мар 2020, 08:38 ]
Заголовок сообщения:  Ламповые фонокорректоры на дроссельных и трансформаторных

Сидоров СА писал(а):
Ошибка на принципиальной схеме

Как же оно работает? :shock:

Автор:  sound [ 15 мар 2020, 13:26 ]
Заголовок сообщения:  Ламповые фонокорректоры на дроссельных и трансформаторных

Цитата:
Ошибка на принципиальной схеме ,смещение Л2 сейчас ноль вольт...???Надо убрать землю с вторичной обмотки Тр1... :2piv:Попутана полярность некоторых электролитов в цепях смещения...


Спасибо что заметили.

Цитата:
Как же оно работает? :shock:


Так как показано на этой схеме и так как на оцифровках.

Вложения:
Схема LR Павел.GIF
Схема LR Павел.GIF [ 76.5 КБ | Просмотров: 10437 ]

Автор:  Горрыныч [ 15 мар 2020, 13:42 ]
Заголовок сообщения:  Ламповые фонокорректоры на дроссельных и трансформаторных

sound писал(а):
Так как показано на этой схеме

На этой схеме смещение второй лампы засажено на массу.

Автор:  sound [ 15 мар 2020, 13:46 ]
Заголовок сообщения:  Ламповые фонокорректоры на дроссельных и трансформаторных

Цитата:
Здравствуйте МС трансформатор универсальный 1.5 \ 10 \ 40 ОМ можете изготовить?


Могу, дома у меня стоит такой как на фото, на советском пермаллое Ф 20 х 26. Это не убогие пукалки из желудей с пакетом
6 х 6 мм.

Вложения:
DSCN2477a.JPG
DSCN2477a.JPG [ 91.88 КБ | Просмотров: 10433 ]
IMG_0235a.jpg
IMG_0235a.jpg [ 96.27 КБ | Просмотров: 10433 ]
IMG_0238a.jpg
IMG_0238a.jpg [ 95.94 КБ | Просмотров: 10433 ]

Автор:  sound [ 15 мар 2020, 13:54 ]
Заголовок сообщения:  Ламповые фонокорректоры на дроссельных и трансформаторных

Цитата:
На этой схеме смещение второй лампы засажено на массу.


Спешу жить, пардон.

Вложения:
Схема LR Павел.GIF
Схема LR Павел.GIF [ 76.4 КБ | Просмотров: 10428 ]

Автор:  МихаилБ [ 15 мар 2020, 13:54 ]
Заголовок сообщения:  Ламповые фонокорректоры на дроссельных и трансформаторных

Цена вопроса за трансформатор универсальный?

Автор:  sound [ 15 мар 2020, 14:00 ]
Заголовок сообщения:  Ламповые фонокорректоры на дроссельных и трансформаторных

Цитата:
Цена вопроса за трансформатор универсальный?

По правилам форума в этой ветке запрещено обсуждать коммерческие вопросы. Пишите на sound@crimea.com .

Автор:  Сидоров СА [ 15 мар 2020, 15:25 ]
Заголовок сообщения:  Ламповые фонокорректоры на дроссельных и трансформаторных

Еще поменять анод с катодом всех диодов в мосту накала 8 вольт и будет... :cool:

Автор:  sound [ 15 мар 2020, 16:14 ]
Заголовок сообщения:  Ламповые фонокорректоры на дроссельных и трансформаторных

Цитата:
Еще поменять анод с катодом всех диодов в мосту накала 8 вольт и будет... :cool:


Вот теперь наверно :cool:

Вложения:
Схема LR Павел.GIF
Схема LR Павел.GIF [ 76.4 КБ | Просмотров: 10396 ]

Автор:  sound [ 21 мар 2020, 20:38 ]
Заголовок сообщения:  Ламповые фонокорректоры на дроссельных и трансформаторных

Сегодня пришел отзыв о последнем корректоре, он правда поверхностный, но это первые впечатления обладателя корректора.

Вложения:
Отзыв.GIF
Отзыв.GIF [ 41.11 КБ | Просмотров: 10196 ]

Страница 1 из 2 Часовой пояс: UTC + 3 часа
Powered by phpBB® Forum Software © phpBB Group
http://www.phpbb.com/