Форум о музыке и аудиотехнике Sound Space



Часовой пояс: UTC + 3 часа




Начать новую тему Ответить на тему  [ Сообщений: 467 ]  На страницу Пред.  1 ... 6, 7, 8, 9, 10, 11, 12 ... 16  След.
Автор Сообщение
 Заголовок сообщения: Вопрос по выбору усилителя.
Непрочитанное сообщениеДобавлено: 23 ноя 2025, 22:31 
Забанен навсегда
Аватара пользователя

Возраст: 111
Откуда: Moskau

На форуме с
Сообщений: 5516
Его благодарили: 1072
Каметон писал(а):
А так ли важно какие конденсаторы стоят в обычном УМЗЧ?
Я вам больше скажу.

Вложение:
SDC16854.JPG
SDC16854.JPG [ 245.76 КБ | Просмотров: 664 ]

Это я себе. Кто-то в каком-то гараже нашёл полведра конденсаторов - не знал, кому и в какое место их запихивать, отдал мне. Они, правда, в оконцовке внезапно английские оказались...
Более того, там не то фальшивая средняя точка, не то выпрямитель с удвоением, я даже не помню.

Вложение:
SDC16857.JPG
SDC16857.JPG [ 216.53 КБ | Просмотров: 664 ]

...вышло в итоге вот что. Я вроде показыывал раз сто

Вложение:
17-12-25watt.png
17-12-25watt.png [ 84.59 КБ | Просмотров: 664 ]

Это интересный усилитель, тот самый, "с двойным дифференциальным каскадом". Уже много позже того, как я сильно удивился полученной выше картинке (кусок проволоки между входом и выходом моего, изините за выражение, эмулятора, давал вот что

Вложение:
17-12-loop.png
17-12-loop.png [ 83.33 КБ | Просмотров: 664 ]

) - наткнулся на забавный факт: в HEC-45, которые были одним из источников вдохновения для затеи, фрагментом которой является моя самоделка, усилители по подозрительно похожей топологии.

Вложение:
29-30.gif
29-30.gif [ 475.19 КБ | Просмотров: 664 ]

-----------------
Глухой.


  Не в сети Профиль  
 
 Заголовок сообщения: Вопрос по выбору усилителя.
Непрочитанное сообщениеДобавлено: 23 ноя 2025, 22:53 
Забанен навсегда
Аватара пользователя

Возраст: 111
Откуда: Moskau

На форуме с
Сообщений: 5516
Его благодарили: 1072
Весельчак У писал(а):
Вы не находите, что для чистоты экскрементов, автор в старом и новом "массиве" должен был использовать одни и те же капациторы
Честно говоря, мне по барабану. Я везде пишу открытым техтом, что в моём частном случае дендрофекальные технологии педалят и рулят, то есть бегать и злонамеренно искать, да ещё за деньги (низкимпедансные мегаГерц так до десяти электролиты, например, нечасты и недёшевы), какие-то специальные детали - я просто не буду. Через полгода исполняется пятьдесят лет с того условного момента, когда я взял в рученьки свои шаловливые паяльнег - за это время, слава богу, набрался, так сказать, сам собою некоторый опыт, тем более, что авометром мне дали поиграть спустя где-то полгода, а ЭО-7 с теми же целями где-то через полтора. Соотв., есть основания предполагать, какой именно хлам, кому и в какое место запихивать таки можно и нужно и каких результатов ожидать в итоге. Ну и вроде пока не очень ошибался. Я же всякие картинки со "спектрами" уже очень не первый раз выкладываю - и объсняю, из какого хлама это всё было сделано. Брянские КР544УД1 фигурировали, например. Саратовские 6Н9С...
...а, ну вот же
viewtopic.php?p=441593#p441593
там и фото есть, из чего и как.
У заказчика профессия в дипломе... кажется, это называется "судоводитель". Нутоисть он выкладывал кинохронику прохода через всяки Босфоры с Дарданеллами , сделанную с капитанского мостика, звонил мне как-то с забавного номера - area code 8816... Я не про то. У парня, слава богу, есть возможность взять себе более-менее любую поношыбу. Не хочет.
А ловля блох несомненно увлекательное занятие, кто жъ спорит...

-----------------
Глухой.


  Не в сети Профиль  
 
 Заголовок сообщения: Вопрос по выбору усилителя.
Непрочитанное сообщениеДобавлено: 24 ноя 2025, 08:18 
Аватара пользователя
Имя: Павел
Возраст: 59
Откуда: солнечная Хакасия

На форуме с
Сообщений: 2661
Его благодарили: 574
Каметон писал(а):
А так ли важно какие конденсаторы стоят в обычном УМЗЧ?
.............
Думаю при соблюдении всех условий, разница будет в пределах погрешности измерений.

У инженеров тик, денон, сони, пайонир и т.д. , мнение отличное от вашего, в свои топ и предтоп изделия они безбожно суют лов еср и супер лов, при этом они осознают , что 99% потребителям их продукции абсолютно поуху, чего там внутри


  Не в сети Профиль  
 
 Заголовок сообщения: Вопрос по выбору усилителя.
Непрочитанное сообщениеДобавлено: 24 ноя 2025, 08:21 
Модератор
Аватара пользователя
Имя: Владимир.
Откуда: СПб. Колпино.

На форуме с
Сообщений: 12875
Его благодарили: 6339
Каметон писал(а):
А так ли важно какие конденсаторы стоят в обычном УМЗЧ?
- если они рабочие

Так ли важно, какие струны натянуты на гитаре? Если они рабочие?

-----------------
Лужу-паяю, ЭВМ починяю.


  Не в сети Профиль Профиль на discogs.com (откроется в новом окне) Моя система (откроется в новой вкладке)  
 
 Заголовок сообщения: Вопрос по выбору усилителя.
Непрочитанное сообщениеДобавлено: 24 ноя 2025, 10:40 
Аватара пользователя
Имя: Павел
Возраст: 59
Откуда: солнечная Хакасия

На форуме с
Сообщений: 2661
Его благодарили: 574
Phlanger писал(а):
Весельчак У писал(а):
Вы не находите, что для чистоты экскрементов, автор в старом и новом "массиве" должен был использовать одни и те же капациторы
Честно говоря, мне по барабану...

тем более удивительно, что Вы здесь протранслировали эту галиматью про "массивы" из конденсаторов

Phlanger писал(а):
Я везде пишу открытым техтом, что в моём частном случае дендрофекальные технологии педалят и рулят, то есть бегать и злонамеренно искать, да ещё за деньги (низкимпедансные мегаГерц так до десяти электролиты, например, нечасты и недёшевы), какие-то специальные детали - я просто не буду..

Если бы вам доводилось ремонтировать изготавливать импульсные преобразователи, блоки питания, то пришлось бы вплотную поизучать низкоимпедансную тему... давно-предавно я выпустил струю масла в потолок из к50-32 15000,0 буквально через 5 минут после подключения его на ХХ к "Астрону" ИБП 220/12 - 16 А


  Не в сети Профиль  
 
 Заголовок сообщения: Вопрос по выбору усилителя.
Непрочитанное сообщениеДобавлено: 24 ноя 2025, 16:37 
Аватара пользователя


На форуме с
Сообщений: 719
Его благодарили: 54
Весельчак У, Горрыныч, путаете теплое с мягким. Разговор не про ESR, и не про частоты. Разговор про количество\форм фактор. Один конденсатор большой или два поменьше - здесь разницы не будет.


  Не в сети Профиль  
 
 Заголовок сообщения: Вопрос по выбору усилителя.
Непрочитанное сообщениеДобавлено: 24 ноя 2025, 16:45 
Модератор
Аватара пользователя
Имя: Владимир.
Откуда: СПб. Колпино.

На форуме с
Сообщений: 12875
Его благодарили: 6339
Каметон писал(а):
Разговор не про ESR, и не про частоты

Естественно. У конденсатора гораздо больше больше параметров)

-----------------
Лужу-паяю, ЭВМ починяю.


  Не в сети Профиль Профиль на discogs.com (откроется в новом окне) Моя система (откроется в новой вкладке)  
 
 Заголовок сообщения: Вопрос по выбору усилителя.
Непрочитанное сообщениеДобавлено: 24 ноя 2025, 17:15 
Аватара пользователя


На форуме с
Сообщений: 719
Его благодарили: 54
operator писал(а):
Меня давно интересует вопрос сглаживающих конденсаторов в БП. Кто то ставит, например, два по 15000мкФ, а кто то десять штук по 3300мкФ. И те и другие как то витиевато объясняют и обосновывают. А по факту, что лучше то?

Вы наверное вопрос забыли...


  Не в сети Профиль  
 
 Заголовок сообщения: Вопрос по выбору усилителя.
Непрочитанное сообщениеДобавлено: 24 ноя 2025, 17:23 
Модератор
Аватара пользователя
Имя: Владимир.
Откуда: СПб. Колпино.

На форуме с
Сообщений: 12875
Его благодарили: 6339
Да тут все чемпионы по прыжкам в сторону)))

-----------------
Лужу-паяю, ЭВМ починяю.


  Не в сети Профиль Профиль на discogs.com (откроется в новом окне) Моя система (откроется в новой вкладке)  
 
 Заголовок сообщения: Вопрос по выбору усилителя.
Непрочитанное сообщениеДобавлено: 24 ноя 2025, 18:25 
Аватара пользователя


На форуме с
Сообщений: 719
Его благодарили: 54
Весельчак У,
Цитата:
У инженеров тик, денон, сони, пайонир и т.д. , мнение отличное от вашего, в свои топ и предтоп изделия они безбожно суют лов еср и супер лов, при этом они осознают , что 99% потребителям их продукции абсолютно поуху, чего там внутри

Всё (почти всё) я это видел, в том числе с полимерной краской корпуса и золотыми буквами "for audio".


  Не в сети Профиль  
 
 Заголовок сообщения: Вопрос по выбору усилителя.
Непрочитанное сообщениеДобавлено: 24 ноя 2025, 18:42 
Аватара пользователя


На форуме с
Сообщений: 719
Его благодарили: 54
На всякий случай, ещё раз процитирую и как бы подытожу.
operator писал(а):
Меня давно интересует вопрос сглаживающих конденсаторов в БП. Кто то ставит, например, два по 15000мкФ, а кто то десять штук по 3300мкФ. И те и другие как то витиевато объясняют и обосновывают. А по факту, что лучше то?

Если и тот и тот вариант будет из новых конденсаторов одного производителя одной серии - разницы не будет никакой.

А теперь отвлечемся, какая разница будет если в трансформаторном БП УМЗЧ Лина (версии скажем первой, али второй) поставить для сравнения: в первом случае ничикон лоу еср, а во втором случае ещё живой армянский к 50-6? Строго оговоримся что оба конденсатора будут иметь одинаковую емкость, опустим еср (допустим армяне про него не знали).
Правильно, опять не будет никакой разницы...
Но разница между двумя этими конденсаторами огромная, просто видна она будет в других случаях.


  Не в сети Профиль  
 
 Заголовок сообщения: Вопрос по выбору усилителя.
Непрочитанное сообщениеДобавлено: 25 ноя 2025, 01:13 
Забанен навсегда
Аватара пользователя

Возраст: 111
Откуда: Moskau

На форуме с
Сообщений: 5516
Его благодарили: 1072
Весельчак У писал(а):
в свои топ и

...и шмоп


Вложения:
anal.jpg
anal.jpg [ 57.05 КБ | Просмотров: 516 ]

-----------------
Глухой.
  Не в сети Профиль  
 
 Заголовок сообщения: Вопрос по выбору усилителя.
Непрочитанное сообщениеДобавлено: 25 ноя 2025, 01:15 
Забанен навсегда
Аватара пользователя

Возраст: 111
Откуда: Moskau

На форуме с
Сообщений: 5516
Его благодарили: 1072
Каметон писал(а):
и золотыми буквами "for audio"
...что в переводе означает "это говно не годится даже в настольный вентилятор. Только аудевофилитикам! Эти схавают что угодно, да ещё на аудювахворуми будут лет пять галдеть про звючяняюие Палосачег"

-----------------
Глухой.


  Не в сети Профиль  
 
 Заголовок сообщения: Вопрос по выбору усилителя.
Непрочитанное сообщениеДобавлено: 25 ноя 2025, 01:25 
Забанен навсегда
Аватара пользователя

Возраст: 111
Откуда: Moskau

На форуме с
Сообщений: 5516
Его благодарили: 1072
Весельчак У писал(а):
тем более удивительно, что Вы здесь протранслировали эту галиматью про "массивы" из конденсаторов
...и уже перестал пить коньяк по утрам?
Не то, что некоторые?
Цитата:
Если бы вам доводилось ремонтировать
Низачот. Вёдра с гайками не фигурируют.
Ещё некоторых палюблятюлей высокакачизтвинага звукавасьпраизьвюденеюя хлебом не корми, только дай чтонть ввернуть про жратву. Даже ещё до вёдер с гайками, сплошь и рядом.
...то есть у вас результатов измерений нет, но чтонть сказать - как всегда...

-----------------
Глухой.


  Не в сети Профиль  
 
 Заголовок сообщения: Вопрос по выбору усилителя.
Непрочитанное сообщениеДобавлено: 25 ноя 2025, 01:33 
Забанен навсегда
Аватара пользователя

Возраст: 111
Откуда: Moskau

На форуме с
Сообщений: 5516
Его благодарили: 1072
Каметон писал(а):
разницы не будет никакой
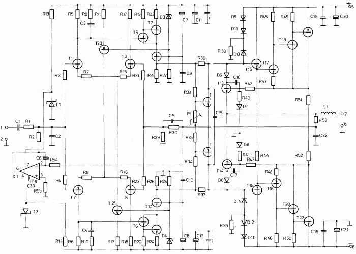
При характерном коэффициенте гармоник 0.3% её не будет, даже если емкостя тридцатилетней давности и вообще хрензнаиткакие. Вторая версия усилителя Хун Чан Лина - это примерно вот что
https://pic.mysku-st.net/uploads/pictur ... dfcae5.jpg

-----------------
Глухой.


  Не в сети Профиль  
 
 Заголовок сообщения: Вопрос по выбору усилителя.
Непрочитанное сообщениеДобавлено: 25 ноя 2025, 04:50 
Аватара пользователя


На форуме с
Сообщений: 719
Его благодарили: 54
Phlanger, какого аппарата схема? Всё на этом листе до боли знакомо, а где видел - не помню...


  Не в сети Профиль  
 
 Заголовок сообщения: Вопрос по выбору усилителя.
Непрочитанное сообщениеДобавлено: 25 ноя 2025, 12:42 
Забанен навсегда
Аватара пользователя

Возраст: 111
Откуда: Moskau

На форуме с
Сообщений: 5516
Его благодарили: 1072
Это Дюаль, кажется, CV-40. Полста лет назад, с небольшим - 1972, штоле... Ну адесейнульнульадын, если по-русски. Ну в адесей аффторы сунули дифкаскад, так что, можно сказать, уже "третий вариант" схемы Хун Чан Лина. Но ему, адесею, а не Хун Чан Лину, это не сильно помогло. Они и внутри выглядят одинаково... Вот туда ваще пофигу, что запихивать.

-----------------
Глухой.


  Не в сети Профиль  
 
 Заголовок сообщения: Вопрос по выбору усилителя.
Непрочитанное сообщениеДобавлено: 25 ноя 2025, 16:11 
Аватара пользователя
Имя: Павел
Возраст: 59
Откуда: солнечная Хакасия

На форуме с
Сообщений: 2661
Его благодарили: 574
Phlanger писал(а):
Весельчак У писал(а):
в свои топ и

...и шмоп

распространённое решение, чаще в аппаратах для внутреннего рынка
Вы будете утверждать, что конструкция с раздельными трансами звучат хуже ? Сомневаюсь...
За всё будет платить потребляйтер, которому фиолетово, что внутри... Ваши ведь квазимодины покупают и ведь не за потроха...


  Не в сети Профиль  
 
 Заголовок сообщения: Вопрос по выбору усилителя.
Непрочитанное сообщениеДобавлено: 25 ноя 2025, 16:47 
Аватара пользователя
Имя: Павел
Возраст: 59
Откуда: солнечная Хакасия

На форуме с
Сообщений: 2661
Его благодарили: 574
Phlanger писал(а):
...то есть у вас результатов измерений нет, но чтонть сказать - как всегда...

я на этом форуме выкладывал результаты измерения параметров конденсаторов, в основном "звукаческих" ...
если завтра найду вот эту шляпу -"фор аудио" то померю, выложу...


  Не в сети Профиль  
 
 Заголовок сообщения: Вопрос по выбору усилителя.
Непрочитанное сообщениеДобавлено: 25 ноя 2025, 17:57 
Аватара пользователя
Имя: Павел
Возраст: 59
Откуда: солнечная Хакасия

На форуме с
Сообщений: 2661
Его благодарили: 574
Phlanger писал(а):
...и уже перестал пить коньяк по утрам?

Вы путаетесь в показаниях :) Это про Олега... А я в 7.30 -7.45 уже прошедши строгий КПП, нахожусь на рабочем месте 8-)
Да и вообще, - коньяк, это не про меня, у меня более приземлённый вкус :oops: , но у меня есть много других достоинств :cool:

Phlanger писал(а):
только дай чтонть ввернуть про жратву. Даже ещё до вёдер с гайками, сплошь и рядом.

Жратва, как Вы изволите выражаться, очень важная составляющая нашей жизни, совсем не только в качестве топлива,
а "ведро с гайками" - это свобода! я это понял в далёких 90ых...


  Не в сети Профиль  
 
 Заголовок сообщения: Вопрос по выбору усилителя.
Непрочитанное сообщениеДобавлено: 25 ноя 2025, 18:21 
Забанен навсегда
Аватара пользователя

Возраст: 111
Откуда: Moskau

На форуме с
Сообщений: 5516
Его благодарили: 1072
Весельчак У писал(а):
в аппаратах для внутреннего рынка
Всегда ужастно трогательно видеть эти ведущиеся с Важними Литцами разговоры про унутринняго!!! рыньку!!! страны третьего мира.
Почему всё это ОКАЭ!!! расположилось у обезьян на острове - я тут уже раз сто пейсал. Даже объяснял, при чём тут Израиль...
Весельчак У писал(а):
Жратва, как Вы изволите выражаться, очень важная составляющая нашей жизни, совсем не только в качестве топлива,
а "ведро с гайками" - это свобода! я это понял в далёких 90ых.
Я тоже... многое понял. Что означают все эти разговоры про ведра с гайками и\или хрючевом на аудева, изините за выражение, хворумах, например.

-----------------
Глухой.


  Не в сети Профиль  
 
 Заголовок сообщения: Вопрос по выбору усилителя.
Непрочитанное сообщениеДобавлено: 25 ноя 2025, 18:56 
Аватара пользователя
Имя: Павел
Возраст: 59
Откуда: солнечная Хакасия

На форуме с
Сообщений: 2661
Его благодарили: 574
Phlanger писал(а):
Весельчак У писал(а):
в аппаратах для внутреннего рынка
Всегда ужастно трогательно видеть эти ведущиеся с Важними Литцами разговоры про унутринняго!!! рыньку!!! страны третьего мира.
Почему всё это ОКАЭ!!! расположилось у обезьян на острове -.

у островных обезьян очень высокая конкуренция на внутреннем рынке, отсюда и все эти извраты, что в электронике, что в вёдрах с болтами и гайками... попробуйте побриться "FEATHER"ом и "Невой", может дойдёт чего...

Phlanger писал(а):
у я тут уже раз сто пейсал. Даже объяснял, при чём тут Израиль.
..
Ну мало ли кто чего на заборе написал, даже если много раз... Вы же адекватный и прекрасно понимаете, что высказываете всего лишь личное мнение, где возможно 3+4=11


  Не в сети Профиль  
 
 Заголовок сообщения: Вопрос по выбору усилителя.
Непрочитанное сообщениеДобавлено: 25 ноя 2025, 20:28 
Забанен навсегда
Аватара пользователя

Возраст: 111
Откуда: Moskau

На форуме с
Сообщений: 5516
Его благодарили: 1072
...то есть результатов измерений как всегда, не будет, будет про вёдра с гайками и\или хрючевом. Всё как всегда.

-----------------
Глухой.


  Не в сети Профиль  
 
 Заголовок сообщения: Вопрос по выбору усилителя.
Непрочитанное сообщениеДобавлено: 26 ноя 2025, 06:22 
Аватара пользователя
Имя: Павел
Возраст: 59
Откуда: солнечная Хакасия

На форуме с
Сообщений: 2661
Его благодарили: 574
Phlanger писал(а):
...то есть результатов измерений как всегда, не будет, будет .

Дабохсвами....
Я вот думаю, что традиционно не будет чего-нибудь вразумительного про - по какому параметру
Phlanger писал(а):
Каметон писал(а):
и золотыми буквами "for audio"
...что в переводе означает "это говно не годится даже в настольный вентилятор. .......

"это говно не годится" ;)

4700,0
Вложение:
пай.jpg
пай.jpg [ 444.15 КБ | Просмотров: 368 ]


10000,0
Вложение:
элна.jpg
элна.jpg [ 495.85 КБ | Просмотров: 368 ]


ваш ход


  Не в сети Профиль  
 
 Заголовок сообщения: Вопрос по выбору усилителя.
Непрочитанное сообщениеДобавлено: 26 ноя 2025, 17:00 
Забанен навсегда
Аватара пользователя

Возраст: 111
Откуда: Moskau

На форуме с
Сообщений: 5516
Его благодарили: 1072
Чюдестный ысяёръ, да.
...а УНЧ-то где? Или вы их в импульсные питалки ставили?

-----------------
Глухой.


  Не в сети Профиль  
 
 Заголовок сообщения: Вопрос по выбору усилителя.
Непрочитанное сообщениеДобавлено: 26 ноя 2025, 17:17 
Аватара пользователя
Имя: Павел
Возраст: 59
Откуда: солнечная Хакасия

На форуме с
Сообщений: 2661
Его благодарили: 574
Phlanger писал(а):
Чюдестный ысяёръ, да..?

Дорогой мой, это всего лишь параметры конденсаторов "фор аудио", которые судя по высеру - "нельзя даже в вентиляторах применять " :D
Phlanger писал(а):
...а УНЧ-то где? Или вы их в импульсные питалки ставили?

то что сверху я выдрал из "пайониира", который покупал на корпус, а эту шляпу - закос под элна, я никуда ставить не собираюсь...
а в импульсные питалки у меня есть более приличные конденсаторы
А Вы глядя на УНЧ, или на то, что он можетЮ можете определять параметры конденсаторов ?


  Не в сети Профиль  
 
 Заголовок сообщения: Вопрос по выбору усилителя.
Непрочитанное сообщениеДобавлено: 26 ноя 2025, 20:57 
Аватара пользователя


На форуме с
Сообщений: 719
Его благодарили: 54
Phlanger, Весельчак У, взрослые же мужчины... Хватит ерундой заниматься.
Весельчак У, то что есть разные конденсаторы (под разные задачи) товарищ Phlanger, знает. Разговор то за 50-60 герц (ака 100-120 верхушки) фильтровать их зачем низкий еср? Али у вас в сети много дерьма на 1 килогерце?
Чего он от вас просит так это разницу усилителя с "хорошими" конденсаторами супротив "плохих"... Её естественно не будет, даже в очень крутом УМЗЧ...
Phlanger, так и вы перестаньте уже криво изъясняться, нынче уже не модно столь вызывающее поведение.

Хотя чего я распинаюсь, это же интернет... Здесь все тридварасы, один я молодец :comandos:


  Не в сети Профиль  
 
 Заголовок сообщения: Вопрос по выбору усилителя.
Непрочитанное сообщениеДобавлено: 26 ноя 2025, 21:06 
Модератор
Аватара пользователя
Имя: Владимир.
Откуда: СПб. Колпино.

На форуме с
Сообщений: 12875
Его благодарили: 6339
Каметон писал(а):
у вас в сети много дерьма на 1 килогерце?

Ткните осла в сеть через кондер с тыщу пик - много интересного увидите.

-----------------
Лужу-паяю, ЭВМ починяю.


  Не в сети Профиль Профиль на discogs.com (откроется в новом окне) Моя система (откроется в новой вкладке)  
 
 Заголовок сообщения: Вопрос по выбору усилителя.
Непрочитанное сообщениеДобавлено: 26 ноя 2025, 21:26 
Аватара пользователя
Имя: игорь
Возраст: 59
Откуда: Казахстан Петропавловск

На форуме с
Сообщений: 465
Его благодарили: 92
Каметон писал(а):
разницу усилителя с "хорошими" конденсаторами супротив "плохих"... Её естественно не будет,
Ну ,ну конечно же . Естественно будет .


  Не в сети Профиль  
 
 Заголовок сообщения: Вопрос по выбору усилителя.
Непрочитанное сообщениеДобавлено: 26 ноя 2025, 21:32 
Забанен навсегда
Аватара пользователя

Возраст: 111
Откуда: Moskau

На форуме с
Сообщений: 5516
Его благодарили: 1072
Весельчак У писал(а):
то что сверху я выдрал из "пайониира", который покупал на корпус, а эту шляпу - закос под элна, я никуда ставить не собираюсь...
а в импульсные питалки у меня есть более приличные конденсаторы
Ужастно валнитильна и трогатильна, что вы наконец-то нашли, где и кому рассказать о себе. А про шмопаваю панашыбу, боковую в штангенцыркуле - уже забыли? Ну после косорыловки-то неудивительно...

-----------------
Глухой.


  Не в сети Профиль  
 
Показать сообщения за:  Поле сортировки  
Начать новую тему Ответить на тему  [ Сообщений: 467 ]  На страницу Пред.  1 ... 6, 7, 8, 9, 10, 11, 12 ... 16  След.

Часовой пояс: UTC + 3 часа


Кто сейчас на форуме

Сейчас этот форум просматривают: нет зарегистрированных пользователей и гости: 2


Вы не можете начинать темы
Вы не можете отвечать на сообщения
Вы не можете редактировать свои сообщения
Вы не можете удалять свои сообщения
Вы не можете добавлять вложения

Найти:
Перейти:  

Создано на основе phpBB® Forum Software © phpBB Group
© 2013-2020 Sound Space - форум о музыке и аудиотехнике
Разработка логотипа - artcore.top

    hosted by .masterhost