А ему музыки послушать или как всегда?
Вот это штоле?
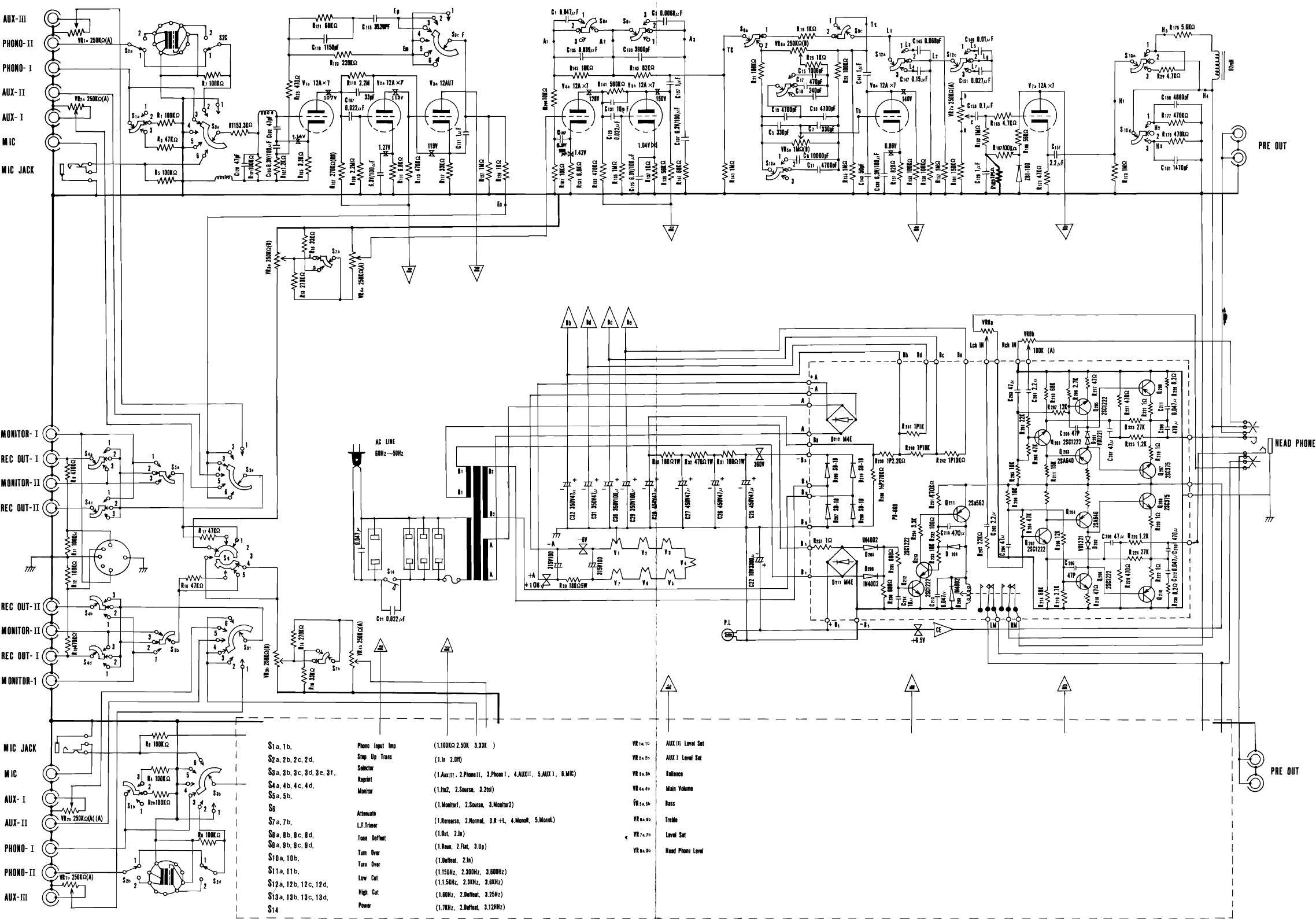
Вложение:
CL35mk3.gif [ 251.2 КБ | Просмотров: 3689 ]
Если как всегда, то пардон. А вот если вдруг, то будет ему и белка, и свистог, и тымбраблог, и марhалки-дрыhалки, и... и всё остальное. Жъ его спиратить как нечего делать. И отнюдь не за семьдесят.
Даже ушной усюлятиль можно впендюрить Ломъпадачьнай, а не как у обезьян. Жъ это пародия на седьмой Марантц вообще-то. Шо характерно, всё упихуемо в одноюнитовый коробок, поскоку тех 6Н21Б у меня полведра всё ещё... прямо вчера на них натыкался.

