Форум о музыке и аудиотехнике Sound Space



Часовой пояс: UTC + 3 часа




Начать новую тему Ответить на тему  [ Сообщений: 35 ]  На страницу 1, 2  След.
Автор Сообщение
Непрочитанное сообщениеДобавлено: 14 дек 2021, 10:02 
Автор темы

Имя: Александр

На форуме с
Сообщений: 19
Его благодарили: 0
Вопрос, так сказать от чайника.
Какая выходная , частотная характеристика ( АХЧ ). Усилителя, липового ( винтажной) радиоприёмника?
То есть, сколько низов- верхов может выдать?


  Не в сети Профиль  
 
Непрочитанное сообщениеДобавлено: 14 дек 2021, 10:27 
Модератор
Аватара пользователя
Имя: Владимир.
Откуда: СПб. Колпино.

На форуме с
Сообщений: 12872
Его благодарили: 6336
radziwill писал(а):
Вопрос, так сказать от чайника.

Вопрос, конечно, интересный. :D

-----------------
Лужу-паяю, ЭВМ починяю.


  Не в сети Профиль Профиль на discogs.com (откроется в новом окне) Моя система (откроется в новой вкладке)  
 
Непрочитанное сообщениеДобавлено: 14 дек 2021, 10:49 
Автор темы

Имя: Александр

На форуме с
Сообщений: 19
Его благодарили: 0
Горрыныч писал(а):
radziwill писал(а):
Вопрос, так сказать от чайника.

Вопрос, конечно, интересный. :D



Очень. И для меня значимый.


  Не в сети Профиль  
 
Непрочитанное сообщениеДобавлено: 14 дек 2021, 11:07 
Модератор
Аватара пользователя
Имя: Владимир.
Откуда: СПб. Колпино.

На форуме с
Сообщений: 12872
Его благодарили: 6336
radziwill,
Тогда уточните модель приемника.

-----------------
Лужу-паяю, ЭВМ починяю.


  Не в сети Профиль Профиль на discogs.com (откроется в новом окне) Моя система (откроется в новой вкладке)  
 
Непрочитанное сообщениеДобавлено: 14 дек 2021, 11:15 
Забанен навсегда
Аватара пользователя

Возраст: 111
Откуда: Moskau

На форуме с
Сообщений: 5516
Его благодарили: 1072
Такая зилёнянькая слева. Collega, ну что вы в самом деле, сами не видите - ещё один поцыэнт обнаружил, что кроваткару закрылась.

-----------------
Глухой.


  Не в сети Профиль  
 
Непрочитанное сообщениеДобавлено: 14 дек 2021, 11:49 
Автор темы

Имя: Александр

На форуме с
Сообщений: 19
Его благодарили: 0
Горрыныч писал(а):
radziwill,
Тогда уточните модель приемника.


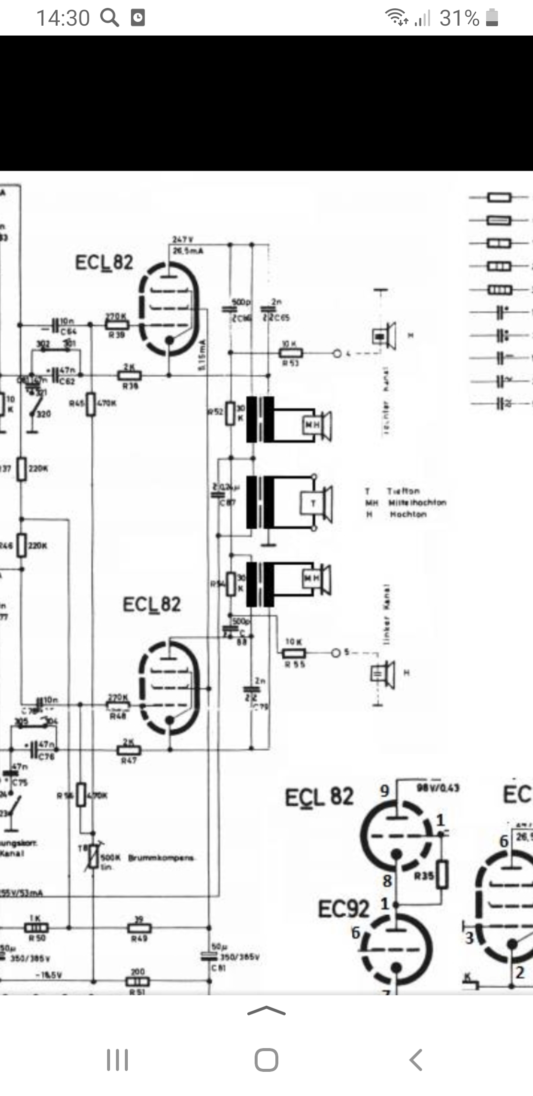
Много моделей. Немцы.
Хотя бы, эти.


Вложения:
Screenshot_20211010-143019_Yandex.jpg
Screenshot_20211010-143019_Yandex.jpg [ 392.12 КБ | Просмотров: 7480 ]
Screenshot_20211010-143410_OneDrive.jpg
Screenshot_20211010-143410_OneDrive.jpg [ 157.66 КБ | Просмотров: 7480 ]
  Не в сети Профиль  
 
Непрочитанное сообщениеДобавлено: 14 дек 2021, 11:59 
Автор темы

Имя: Александр

На форуме с
Сообщений: 19
Его благодарили: 0
Вот эти.


Вложения:
Screenshot_20211214-120539_Gallery.jpg
Screenshot_20211214-120539_Gallery.jpg [ 207.45 КБ | Просмотров: 7476 ]
Screenshot_20211214-115054_Gallery.jpg
Screenshot_20211214-115054_Gallery.jpg [ 412.21 КБ | Просмотров: 7478 ]
Screenshot_20211214-115247_Gallery.jpg
Screenshot_20211214-115247_Gallery.jpg [ 427.06 КБ | Просмотров: 7478 ]
Screenshot_20211214-115325_Gallery.jpg
Screenshot_20211214-115325_Gallery.jpg [ 389.6 КБ | Просмотров: 7478 ]
  Не в сети Профиль  
 
Непрочитанное сообщениеДобавлено: 14 дек 2021, 12:35 
Модератор
Аватара пользователя
Имя: Владимир.
Откуда: СПб. Колпино.

На форуме с
Сообщений: 12872
Его благодарили: 6336
Хорошие аппараты. Паспортные параметры смешные, по сегодняшним меркам.
Звучание их, в большей мере определяют динамики, в них стоящие.

-----------------
Лужу-паяю, ЭВМ починяю.


  Не в сети Профиль Профиль на discogs.com (откроется в новом окне) Моя система (откроется в новой вкладке)  
 
Непрочитанное сообщениеДобавлено: 14 дек 2021, 13:18 
Автор темы

Имя: Александр

На форуме с
Сообщений: 19
Его благодарили: 0
Горрыныч писал(а):
Хорошие аппараты. Паспортные параметры смешные, по сегодняшним меркам.
Звучание их, в большей мере определяют динамики, в них стоящие.




Можно по русски, по поводу параметров, чем они смешные?

Я почему задаю вопрос про ахч.
Хочу поставить на них хорошие динамики. А если смысл ставить например 40гц на 20000кГц.

Если изначально усилитель не выдаёт таких частот.

Хотя если смотреть на Сифонию 003, там акустика 50 на 18000.

Хочу на Kuba 609t. Поставить на низ перемотанный на 4 Ом. 4а32. А на каналы по одному MACHETE ETP1623-Z1


  Не в сети Профиль  
 
Непрочитанное сообщениеДобавлено: 14 дек 2021, 14:42 
Модератор
Аватара пользователя
Имя: Владимир.
Откуда: СПб. Колпино.

На форуме с
Сообщений: 12872
Его благодарили: 6336
radziwill писал(а):
Хочу поставить на них хорошие динамики.

Вряд ли Вы найдете для них динамики лучше, чем родные.
Про 4а32 я вообще молчу. Нельзя на них музыку играть. И на какую нагрузку рассчитан выходной трансформатор?

-----------------
Лужу-паяю, ЭВМ починяю.


  Не в сети Профиль Профиль на discogs.com (откроется в новом окне) Моя система (откроется в новой вкладке)  
 
Непрочитанное сообщениеДобавлено: 14 дек 2021, 14:55 
Автор темы

Имя: Александр

На форуме с
Сообщений: 19
Его благодарили: 0
Горрыныч писал(а):
radziwill писал(а):
Хочу поставить на них хорошие динамики.

Вряд ли Вы найдете для них динамики лучше, чем родные.
Про 4а32 я вообще молчу. Нельзя на них музыку играть. И на какую нагрузку рассчитан выходной трансформатор?



4а32, как вариант. Есть много американски, европейских динамиков. Широкополосников.
Сопративление 4 Ом.

Я к Siemens h7 подключил ESS AMT 5.
Сигнал, ФМ . Вы знаете, очень удивил звук.


  Не в сети Профиль  
 
Непрочитанное сообщениеДобавлено: 14 дек 2021, 15:03 
Автор темы

Имя: Александр

На форуме с
Сообщений: 19
Его благодарили: 0
Смотрю, 30 просмотров.
Не пойму, это, такие же неучи, как я или ?


  Не в сети Профиль  
 
Непрочитанное сообщениеДобавлено: 14 дек 2021, 15:11 
Автор темы

Имя: Александр

На форуме с
Сообщений: 19
Его благодарили: 0
Что скажите про этот шедевр?
Это Ригонда .

6гд2 + 2гд36.


Вложения:
20211214_150800.jpg
20211214_150800.jpg [ 138.23 КБ | Просмотров: 7449 ]
  Не в сети Профиль  
 
Непрочитанное сообщениеДобавлено: 14 дек 2021, 16:08 
Аватара пользователя
Имя: Владимир
Возраст: 52
Откуда: Москва

На форуме с
Сообщений: 669
Его благодарили: 630
Ригонду желательно переделать под фиксированное смещение, а по схемам гдето однотактный УНЧ, где то двухтактный. Где то совсем толком не видно. Вообщем всё в кучу. Они может и все смогут выдать как Вы пишете "верхов, низов", другое дело с каким завалом это будет. Учитывая что это всё усилители от радиоприемников, где широкий диапазон как бы и не нужен.


  Не в сети Профиль Профиль на discogs.com (откроется в новом окне) Моя система (откроется в новой вкладке)  
 
Непрочитанное сообщениеДобавлено: 14 дек 2021, 16:19 
Автор темы

Имя: Александр

На форуме с
Сообщений: 19
Его благодарили: 0
vovan_k писал(а):
Ригонду желательно переделать под фиксированное смещение, а по схемам гдето однотактный УНЧ, где то двухтактный. Где то совсем толком не видно. Вообщем всё в кучу. Они может и все смогут выдать как Вы пишете "верхов, низов", другое дело с каким завалом это будет. Учитывая что это всё усилители от радиоприемников, где широкий диапазон как бы и не нужен.



Спасибо. Это если слушать сжатый фм или родной проигрыватель винила.
А если сигнал с деки, сд. Или, что ещё лучше, Deezer и Tidal.

Кастомный.

Да, и что такое фиксированное смещение?
Нет у нас мастеров. Вот и приходится побираться.


  Не в сети Профиль  
 
Непрочитанное сообщениеДобавлено: 14 дек 2021, 16:30 
Аватара пользователя
Имя: Владимир
Возраст: 52
Откуда: Москва

На форуме с
Сообщений: 669
Его благодарили: 630
Если УНЧ валит АЧХ, всё без толку, без разницы откуда сигнал.


  Не в сети Профиль Профиль на discogs.com (откроется в новом окне) Моя система (откроется в новой вкладке)  
 
Непрочитанное сообщениеДобавлено: 14 дек 2021, 16:37 
Автор темы

Имя: Александр

На форуме с
Сообщений: 19
Его благодарили: 0
vovan_k писал(а):
Если УНЧ валит АЧХ, всё без толку, без разницы откуда сигнал.




Что делать то?


  Не в сети Профиль  
 
Непрочитанное сообщениеДобавлено: 14 дек 2021, 17:36 
Злобный модератор
Аватара пользователя

Откуда: Город бесов

На форуме с
Сообщений: 25102
Его благодарили: 6027
radziwill писал(а):
Что делать то?

Динамики: 2 НЧ × 106 мм, 2 ВЧ × 20 мм
Мощность: 2 × 30 Вт (при работе от аккумулятора), 2 × 40 Вт (при работе от сети)
Диапазон частот: 50–20 000 Гц
Отношение «сигнал/шум»: > 80 дБ

Изображение


А приёмники лучше не курочить

-----------------
Как модератор форума я рад любому вкладу, независимо от того, насколько он деструктивен.


  Не в сети Профиль Моя система (откроется в новой вкладке)  
 
Непрочитанное сообщениеДобавлено: 14 дек 2021, 18:13 
Автор темы

Имя: Александр

На форуме с
Сообщений: 19
Его благодарили: 0
Вопрос, ещё раз.
Стоит ли ремонтировать эти радиоприемники. Улучшать их, чтобы поставить хорошие динамики.
Что для этого нужно.
Прошу реальные советы, без....


  Не в сети Профиль  
 
Непрочитанное сообщениеДобавлено: 14 дек 2021, 18:30 
Злобный модератор
Аватара пользователя

Откуда: Город бесов

На форуме с
Сообщений: 25102
Его благодарили: 6027
radziwill писал(а):
Стоит ли ремонтировать эти радиоприемники. Улучшать их, чтобы поставить хорошие динамики.

Ремонтировать стоит, улучшать - нет. Они вполне самодостаточны для тех задач, для которых создавались. Хочется лампы - существует масса технических решений, от покупки готового изделия, до заказа мастерам

-----------------
Как модератор форума я рад любому вкладу, независимо от того, насколько он деструктивен.


  Не в сети Профиль Моя система (откроется в новой вкладке)  
 
Непрочитанное сообщениеДобавлено: 14 дек 2021, 18:56 
Автор темы

Имя: Александр

На форуме с
Сообщений: 19
Его благодарили: 0
operator писал(а):
radziwill писал(а):
Стоит ли ремонтировать эти радиоприемники. Улучшать их, чтобы поставить хорошие динамики.

Ремонтировать стоит, улучшать - нет. Они вполне самодостаточны для тех задач, для которых создавались. Хочется лампы - существует масса технических решений, от покупки готового изделия, до заказа мастерам


Эти радиоприёмники, верней шасси, в наличии.
Для них и нужны динамики.
Отсюда вопрос про частоту.
Имеет смысл платить за дорогие?

И по поводу ремонта.
Замена кондюков, чистка потонциометров. Настройка.
Что ещё?


  Не в сети Профиль  
 
Непрочитанное сообщениеДобавлено: 14 дек 2021, 19:06 
Забанен навсегда
Аватара пользователя

Возраст: 111
Откуда: Moskau

На форуме с
Сообщений: 5516
Его благодарили: 1072
Для этого нужно.
1) Полезть в карман и тщятельно пересчитать найденное.
2) Ознакомиться с расценками специалистов.
3) Profit!
Нутоисть на человека вменяемого в этот момент должно снизойти просветление.

Вот уродовать музейные экспонаты самому... их проще сразу бросить в колодец.

Изображение

Результат ровно тот же, только быстрее. Только в итоге куда меньше разочарования, битых током лиц, поджогов etc.

-----------------
Глухой.


  Не в сети Профиль  
 
Непрочитанное сообщениеДобавлено: 14 дек 2021, 19:07 
Злобный модератор
Аватара пользователя

Откуда: Город бесов

На форуме с
Сообщений: 25102
Его благодарили: 6027
radziwill писал(а):
верней шасси, в наличии.
Для них и нужны динамики.
Отсюда вопрос про частоту.
Имеет смысл платить за дорогие?

Если в наличии только шасси, то лучше поискать к нему и родные динамики. Как правило в то время кривость одного звена выправляли кривостью другого. Усилители этих устройств не особо линейные

-----------------
Как модератор форума я рад любому вкладу, независимо от того, насколько он деструктивен.


  Не в сети Профиль Моя система (откроется в новой вкладке)  
 
Непрочитанное сообщениеДобавлено: 14 дек 2021, 19:34 
Автор темы

Имя: Александр

На форуме с
Сообщений: 19
Его благодарили: 0
operator писал(а):
radziwill писал(а):
верней шасси, в наличии.
Для них и нужны динамики.
Отсюда вопрос про частоту.
Имеет смысл платить за дорогие?

Если в наличии только шасси, то лучше поискать к нему и родные динамики. Как правило в то время кривость одного звена выправляли кривостью другого. Усилители этих устройств не особо линейные



Ну, это уже ближе к конкретики.
Динамиков нет. Ищу с 15 года. Инфы ноль. Попались пару раз номера, но в нете, нет данных.
Отсюда и вопросы.

Есть один хороший выход. Оставить рожу, фасад, а начинку полностью новую. Современные концы, и к ним уже подбирать акустику.


  Не в сети Профиль  
 
Непрочитанное сообщениеДобавлено: 14 дек 2021, 19:35 
Аватара пользователя
Имя: Владимир
Возраст: 52
Откуда: Москва

На форуме с
Сообщений: 669
Его благодарили: 630
Продать все эти шасси ценителям, коих полно. Они восстановят или используют как запчасти. На вырученные деньги купить/заказать нормальный усилитель.


  Не в сети Профиль Профиль на discogs.com (откроется в новом окне) Моя система (откроется в новой вкладке)  
 
Непрочитанное сообщениеДобавлено: 14 дек 2021, 19:48 
Автор темы

Имя: Александр

На форуме с
Сообщений: 19
Его благодарили: 0
Нормальные усилители, есть.
Коллекция радиоприёмников, тоже.
Это, для работы.
Вот, в работе. Будет бар.
У этого, родные дины.


Вложения:
IMG-20211214-WA0003.jpg
IMG-20211214-WA0003.jpg [ 104.82 КБ | Просмотров: 7396 ]
IMG-20211214-WA0002.jpg
IMG-20211214-WA0002.jpg [ 75.88 КБ | Просмотров: 7396 ]
  Не в сети Профиль  
 
Непрочитанное сообщениеДобавлено: 14 дек 2021, 20:12 
Злобный модератор
Аватара пользователя

Откуда: Город бесов

На форуме с
Сообщений: 25102
Его благодарили: 6027
Ну найдите для этих шасси 1ГД-7 и 1ГД-18, можно еще добавить по высоким 3 ГД-15М. Будет всё в духе времени

-----------------
Как модератор форума я рад любому вкладу, независимо от того, насколько он деструктивен.


  Не в сети Профиль Моя система (откроется в новой вкладке)  
 
Непрочитанное сообщениеДобавлено: 14 дек 2021, 20:39 
Автор темы

Имя: Александр

На форуме с
Сообщений: 19
Его благодарили: 0
operator писал(а):
Ну найдите для этих шасси 1ГД-7 и 1ГД-18, можно еще добавить по высоким 3 ГД-15М. Будет всё в духе времени



4гд7 ???


  Не в сети Профиль  
 
Непрочитанное сообщениеДобавлено: 14 дек 2021, 20:49 
Злобный модератор
Аватара пользователя

Откуда: Город бесов

На форуме с
Сообщений: 25102
Его благодарили: 6027
Пардон, очепятался :crazy:

-----------------
Как модератор форума я рад любому вкладу, независимо от того, насколько он деструктивен.


  Не в сети Профиль Моя система (откроется в новой вкладке)  
 
Непрочитанное сообщениеДобавлено: 14 дек 2021, 21:06 
Аватара пользователя
Имя: Владимир
Возраст: 52
Откуда: Москва

На форуме с
Сообщений: 669
Его благодарили: 630
Для этих старых приемников самое наверно ценное это родные динамики, их порой тяжелей всего найти. Можно найти конечно, но с каждым годом всё сложнее. Если всё остальное можно заказать из новодела, ту же стекляшку на морду, или заднюю стенку.
Я на Фестиваль искал овал долго достаточно. Конечно не так что бы прям бегал и искал, но бывает в продаже крайне редко в хорошем состоянии и за вменяемые деньги.


  Не в сети Профиль Профиль на discogs.com (откроется в новом окне) Моя система (откроется в новой вкладке)  
 
Показать сообщения за:  Поле сортировки  
Начать новую тему Ответить на тему  [ Сообщений: 35 ]  На страницу 1, 2  След.

Часовой пояс: UTC + 3 часа


Кто сейчас на форуме

Сейчас этот форум просматривают: нет зарегистрированных пользователей и гости: 1


Вы не можете начинать темы
Вы не можете отвечать на сообщения
Вы не можете редактировать свои сообщения
Вы не можете удалять свои сообщения
Вы не можете добавлять вложения

Найти:
Перейти:  
cron

Создано на основе phpBB® Forum Software © phpBB Group
© 2013-2020 Sound Space - форум о музыке и аудиотехнике
Разработка логотипа - artcore.top

    hosted by .masterhost