Форум о музыке и аудиотехнике Sound Space



Часовой пояс: UTC + 3 часа




Начать новую тему Ответить на тему  [ Сообщений: 107 ]  На страницу Пред.  1, 2, 3, 4  След.
Автор Сообщение
 Заголовок сообщения: Симфония 003
Непрочитанное сообщениеДобавлено: 02 дек 2022, 09:43 
Модератор
Аватара пользователя
Имя: Владимир.
Откуда: СПб. Колпино.

На форуме с
Сообщений: 12872
Его благодарили: 6336
Чтобы прочувствовать разницу, красивое должно быть еще и правильным))

-----------------
Лужу-паяю, ЭВМ починяю.


  Не в сети Профиль Профиль на discogs.com (откроется в новом окне) Моя система (откроется в новой вкладке)  
 
 Заголовок сообщения: Симфония 003
Непрочитанное сообщениеДобавлено: 02 дек 2022, 10:50 
Забанен навсегда
Аватара пользователя

Возраст: 111
Откуда: Moskau

На форуме с
Сообщений: 5516
Его благодарили: 1072
loud писал(а):
сейчас К73, если заменить на Мундорф 3,3 мкф или Дженсен 0,3 мкф будет ли лучше, если да,то что
Конечно будет! Значительно лучше будет благосостояние аудюваманеи, которая впаривает буратинам Мундорфы с олебобов.

Изображение

Горрыныч писал(а):
Чтобы прочувствовать разницу, красивое должно быть еще и правильным))
А то!

Изображение

-----------------
Глухой.


  Не в сети Профиль  
 
 Заголовок сообщения: Симфония 003
Непрочитанное сообщениеДобавлено: 02 дек 2022, 10:51 
Модератор
Аватара пользователя
Имя: Владимир.
Откуда: СПб. Колпино.

На форуме с
Сообщений: 12872
Его благодарили: 6336
Phlanger писал(а):
А то!

Воистину! :D


Вложения:
1521699929825_bulletin.jpg
1521699929825_bulletin.jpg [ 37.92 КБ | Просмотров: 11123 ]

-----------------
Лужу-паяю, ЭВМ починяю.
  Не в сети Профиль Профиль на discogs.com (откроется в новом окне) Моя система (откроется в новой вкладке)  
 
 Заголовок сообщения: Симфония 003
Непрочитанное сообщениеДобавлено: 02 дек 2022, 10:54 
Забанен навсегда
Аватара пользователя

Возраст: 111
Откуда: Moskau

На форуме с
Сообщений: 5516
Его благодарили: 1072
"Мне ль брульянтов не знать..."(с)


Вложения:
mundorf.gif
mundorf.gif [ 39.74 КБ | Просмотров: 11123 ]

-----------------
Глухой.
  Не в сети Профиль  
 
 Заголовок сообщения: Симфония 003
Непрочитанное сообщениеДобавлено: 02 дек 2022, 11:52 
Аватара пользователя
Имя: Александр
Возраст: 56
Откуда: г.Омск

На форуме с
Сообщений: 19960
Его благодарили: 2156
Шура Осечкин писал(а):
У меня есть " контакт"..

Вложение:
1669969360094.jpg
1669969360094.jpg [ 48.77 КБ | Просмотров: 11117 ]

:D


  Не в сети Профиль  
 
 Заголовок сообщения: Симфония 003
Непрочитанное сообщениеДобавлено: 03 дек 2022, 16:05 
Аватара пользователя
Автор темы

Имя: юрий
Возраст: 68
Откуда: самара

На форуме с
Сообщений: 1843
Его благодарили: 933
Может кому пригодится мой опыт по Симфонии 003.Попытка реанимировать РГ в Симфонии оказалась неудачной: его пытались реанимировать до меня. Вновь собирать данный девайс пропало желание.Было принято решение - извлечь плату НЧ и БП и на этой базе в отдельном корпусе сделать усилитель по родной схеме без тембров и баланса.При помощи специалистов Павла (Радиолюбитель) и Сергея Сидорова эта идея была воплощена.Результат превзошел мои ожидания - прекрасный ламповичек за бюджетные деньги обладает вполне хорошей мощностью, широким спектром частот и приятен на слух.Усилитель собран по ультралинейной схеме, которая имеет ряд преимуществ. Но главное - поет!!! Кто ограничен в средствах, но хочет попробовать лампу - этот вариант вполне! :cool:

-----------------
Прежде чем диагностировать у себя депрессию и заниженную самооценку,убедитесь,что вы не окружены идиотами.
Фрейд

Умные мысли приходят после того, как все глупости уже сделаны.


  Не в сети Профиль Моя система (откроется в новой вкладке)  
 
 Заголовок сообщения: Симфония 003
Непрочитанное сообщениеДобавлено: 03 дек 2022, 19:10 
Аватара пользователя
Имя: Александр
Возраст: 56
Откуда: г.Омск

На форуме с
Сообщений: 19960
Его благодарили: 2156
Вот интриганы.. Смотрите своей лампой...
Пензионерите :?:


  Не в сети Профиль  
 
 Заголовок сообщения: Симфония 003
Непрочитанное сообщениеДобавлено: 03 дек 2022, 19:14 
Модератор
Аватара пользователя
Имя: Владимир.
Откуда: СПб. Колпино.

На форуме с
Сообщений: 12872
Его благодарили: 6336
loud писал(а):
прекрасный ламповичек за бюджетные деньги

Фото в студию!

-----------------
Лужу-паяю, ЭВМ починяю.


  Не в сети Профиль Профиль на discogs.com (откроется в новом окне) Моя система (откроется в новой вкладке)  
 
 Заголовок сообщения: Симфония 003
Непрочитанное сообщениеДобавлено: 03 дек 2022, 19:20 
Аватара пользователя
Автор темы

Имя: юрий
Возраст: 68
Откуда: самара

На форуме с
Сообщений: 1843
Его благодарили: 933
Фото позже, не могу скинуть со смартфона.

-----------------
Прежде чем диагностировать у себя депрессию и заниженную самооценку,убедитесь,что вы не окружены идиотами.
Фрейд

Умные мысли приходят после того, как все глупости уже сделаны.


  Не в сети Профиль Моя система (откроется в новой вкладке)  
 
 Заголовок сообщения: Симфония 003
Непрочитанное сообщениеДобавлено: 04 дек 2022, 03:20 


На форуме с
Сообщений: 151
Его благодарили: 27
А вам что, действительно нужны гнилые регуляторы тембра, громкость с тонкомпенсацией и баланс, а так же добряки в виде гнилого текущего гетинакса и волшебных конденсаторов? Ну кто топит за аутентичность, тот восстанавливает всё в родном корпусе. А для жизни я всегда делал чего попроще. Причем даже баланс -нах - пара отдельных, близко расположенных регуляторов громкости - весьма удобны. Сколько я зарезал (в смысле переделал), всегда выигрывал примерно такой вариант, причем ушами и деньгами голосовали сами пассажиры.


  Не в сети Профиль  
 
 Заголовок сообщения: Симфония 003
Непрочитанное сообщениеДобавлено: 04 дек 2022, 13:09 
Аватара пользователя
Имя: Александр
Возраст: 56
Откуда: г.Омск

На форуме с
Сообщений: 19960
Его благодарили: 2156
Юра рассказывай... Че там сделал...
Пока деньги не пропил надо чета преобретать... Может твоя тема поможет :2piv:


  Не в сети Профиль  
 
 Заголовок сообщения: Симфония 003
Непрочитанное сообщениеДобавлено: 04 дек 2022, 13:33 
Модератор
Аватара пользователя
Имя: Владимир.
Откуда: СПб. Колпино.

На форуме с
Сообщений: 12872
Его благодарили: 6336
Шура Осечкин писал(а):
Пока деньги не пропил надо чета преобретать...

Саня, лампа под твои ревоксы не очень будет. А если и будет, то недешево.

-----------------
Лужу-паяю, ЭВМ починяю.


  Не в сети Профиль Профиль на discogs.com (откроется в новом окне) Моя система (откроется в новой вкладке)  
 
 Заголовок сообщения: Симфония 003
Непрочитанное сообщениеДобавлено: 04 дек 2022, 14:57 
Аватара пользователя
Имя: Александр
Возраст: 56
Откуда: г.Омск

На форуме с
Сообщений: 19960
Его благодарили: 2156
Я Ревоксы поменяю.. У меня ещё Грюндики есть...


  Не в сети Профиль  
 
 Заголовок сообщения: Симфония 003
Непрочитанное сообщениеДобавлено: 04 дек 2022, 17:33 
Аватара пользователя
Автор темы

Имя: юрий
Возраст: 68
Откуда: самара

На форуме с
Сообщений: 1843
Его благодарили: 933
Да Саша в теории все просто - покупаешь Симфонию (без колонок дешевле), либо Эстонию. Если все работает - ничего не трогаешь, наслаждаешься красотой и звуком. Как правило у них неисправны крутилки, но это тоже поправимо.Если находишь подходящий корпус, то переносишь УНЧ с БП и вуаля! Кстати у нас в Самаре парень продает Эстонию стерео с ламповым усилителем, сильно двигается в цене.Удачи!

-----------------
Прежде чем диагностировать у себя депрессию и заниженную самооценку,убедитесь,что вы не окружены идиотами.
Фрейд

Умные мысли приходят после того, как все глупости уже сделаны.


  Не в сети Профиль Моя система (откроется в новой вкладке)  
 
 Заголовок сообщения: Симфония 003
Непрочитанное сообщениеДобавлено: 04 дек 2022, 17:46 
Забанен навсегда
Аватара пользователя

Возраст: 111
Откуда: Moskau

На форуме с
Сообщений: 5516
Его благодарили: 1072
Шура Осечкин писал(а):
Я Ревоксы поменяю.
На водку?
Шура Осечкин писал(а):
надо чета преобретать...
Надо срочно погойваридь?
loud писал(а):
наслаждаешься красотой и звуком.
Там нюанс, что родной усилитель - страшненький, то есть полезного там ровно три трансформатора. Три трансформатора по цене всей балалайки - это как-то гусарство, сдаёца мне...

-----------------
Глухой.


  Не в сети Профиль  
 
 Заголовок сообщения: Симфония 003
Непрочитанное сообщениеДобавлено: 04 дек 2022, 17:55 
Аватара пользователя
Автор темы

Имя: юрий
Возраст: 68
Откуда: самара

На форуме с
Сообщений: 1843
Его благодарили: 933
Phlanger писал(а):
Там нюанс, что родной усилитель - страшненький,

Это уже следующий этап - превращение данного девайса в Аудионот с помощью альпсов, переходных "дженсенов", консультаций с "зубрами" и т д и т п!
Счастье в борьбе, а не в конечной ее цели" :D :cool:

-----------------
Прежде чем диагностировать у себя депрессию и заниженную самооценку,убедитесь,что вы не окружены идиотами.
Фрейд

Умные мысли приходят после того, как все глупости уже сделаны.


  Не в сети Профиль Моя система (откроется в новой вкладке)  
 
 Заголовок сообщения: Симфония 003
Непрочитанное сообщениеДобавлено: 04 дек 2022, 19:25 
Злобный модератор
Аватара пользователя

Откуда: Город бесов

На форуме с
Сообщений: 25102
Его благодарили: 6027
Шура Осечкин писал(а):
Пока деньги не пропил надо чета преобретать

Попробуй Грету Тундберг...тьфу ты...Тандберг Хульдру... Хотя Олегыч говорит, что по схемотехнике это не то Элегия, не то Россия. Но поёт привлекательно

-----------------
Как модератор форума я рад любому вкладу, независимо от того, насколько он деструктивен.


  Не в сети Профиль Моя система (откроется в новой вкладке)  
 
 Заголовок сообщения: Симфония 003
Непрочитанное сообщениеДобавлено: 04 дек 2022, 19:59 


На форуме с
Сообщений: 412
Его благодарили: 106
Цитата:
надо чета преобретать

:buh:
баБАян, даже на высшем уровне одобрятютЪ )
весчъ не из дешевых однакоздЪ. :D


  Не в сети Профиль  
 
 Заголовок сообщения: Симфония 003
Непрочитанное сообщениеДобавлено: 04 дек 2022, 21:05 
Забанен навсегда
Аватара пользователя

Возраст: 111
Откуда: Moskau

На форуме с
Сообщений: 5516
Его благодарили: 1072
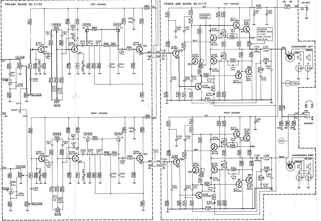
...жъ шо там гойваридь, всё за версту видно. Невооружонным глазом. Разве шо Хульдра комплементарная, только сдаёца мне, ей это не сильно помогло...

Изображение

Изображение


Вложения:
tandberg_huldra-10amp[3].gif
tandberg_huldra-10amp[3].gif [ 96.42 КБ | Просмотров: 10886 ]

-----------------
Глухой.
  Не в сети Профиль  
 
 Заголовок сообщения: Симфония 003
Непрочитанное сообщениеДобавлено: 04 дек 2022, 21:43 
Модератор
Аватара пользователя
Имя: Владимир.
Откуда: СПб. Колпино.

На форуме с
Сообщений: 12872
Его благодарили: 6336
Тандберги классно звучат! Только время беспощадное..., тем аппаратам уже по полтиннику.

-----------------
Лужу-паяю, ЭВМ починяю.


  Не в сети Профиль Профиль на discogs.com (откроется в новом окне) Моя система (откроется в новой вкладке)  
 
 Заголовок сообщения: Симфония 003
Непрочитанное сообщениеДобавлено: 04 дек 2022, 21:59 
Аватара пользователя

Откуда: Самара

На форуме с
Сообщений: 14455
Его благодарили: 2047
Горрыныч писал(а):
Только время беспощадное.

и ведь невозможно не согласиться...)))

-----------------
Нужна электрогитара:
https://audioes.ru/viewtopic.php?f=83&t=11945


  Не в сети Профиль Моя система (откроется в новой вкладке)  
 
 Заголовок сообщения: Симфония 003
Непрочитанное сообщениеДобавлено: 05 дек 2022, 10:23 


На форуме с
Сообщений: 151
Его благодарили: 27
Phlanger писал(а):
Там нюанс, что родной усилитель - страшненький, то есть полезного там ровно три трансформатора. Три трансформатора по цене всей балалайки - это как-то гусарство, сдаёца мне...
ТОЧНО!!!


  Не в сети Профиль  
 
 Заголовок сообщения: Симфония 003
Непрочитанное сообщениеДобавлено: 05 дек 2022, 11:32 
Аватара пользователя
Имя: Александр
Возраст: 56
Откуда: г.Омск

На форуме с
Сообщений: 19960
Его благодарили: 2156
Да были у меня пару тройку рессиверов Тандберг... Тандберг 3030 ресивер нравился.
И акустика была... Нормально :cool:
У меня по ходу комната " правильная" была на старой хате... Там всё пело и звучало... А в новой уже не так...
Бум эксперементировать... :)


  Не в сети Профиль  
 
 Заголовок сообщения: Симфония 003
Непрочитанное сообщениеДобавлено: 05 дек 2022, 11:39 
Модератор
Аватара пользователя
Имя: Владимир.
Откуда: СПб. Колпино.

На форуме с
Сообщений: 12872
Его благодарили: 6336
Шура Осечкин писал(а):
А в новой уже не так...

Что на полу и на потолке?

-----------------
Лужу-паяю, ЭВМ починяю.


  Не в сети Профиль Профиль на discogs.com (откроется в новом окне) Моя система (откроется в новой вкладке)  
 
 Заголовок сообщения: Симфония 003
Непрочитанное сообщениеДобавлено: 05 дек 2022, 12:01 
Аватара пользователя

Откуда: Самара

На форуме с
Сообщений: 14455
Его благодарили: 2047
Шура Осечкин писал(а):
правильная" была на старой хате... Там всё пело и звучало... А в новой уже не так...
Бум эксперементировать..

Это тебе Шурян надо попробовать эквалайзир Технеггз, муаг..

А если серьезно - что именно стало хуже? Гипсокартон на стенах есь? Если есь он низы кушает будь здоров

-----------------
Нужна электрогитара:
https://audioes.ru/viewtopic.php?f=83&t=11945


  Не в сети Профиль Моя система (откроется в новой вкладке)  
 
 Заголовок сообщения: Симфония 003
Непрочитанное сообщениеДобавлено: 05 дек 2022, 14:05 
Аватара пользователя
Имя: Александр
Возраст: 56
Откуда: г.Омск

На форуме с
Сообщений: 19960
Его благодарили: 2156
Да всё там нормально... Ревоксы шарашат... только в путь... :2piv:
Вовлечённости нету.... :(
Сцены.... Объёма....
В старой хате акустика стояла по длинной стене.... Зона прослушивания была 1,5-2 метра. До дивана...
Сейчас расставил акустику по короткой стене... У окна кресло... Примерно 3 метра от колонок до кресла...
Ну и как то не цепляет.... Поэксперементирую с колонками... Тут в городе у одного на продаже много колонок немецких....


  Не в сети Профиль  
 
 Заголовок сообщения: Симфония 003
Непрочитанное сообщениеДобавлено: 05 дек 2022, 15:30 
Модератор
Аватара пользователя
Имя: Владимир.
Откуда: СПб. Колпино.

На форуме с
Сообщений: 12872
Его благодарили: 6336
Шура Осечкин писал(а):
Вовлечённости нету....
Сцены.... Объёма....

Небось, с фазировкой напортачил)

-----------------
Лужу-паяю, ЭВМ починяю.


  Не в сети Профиль Профиль на discogs.com (откроется в новом окне) Моя система (откроется в новой вкладке)  
 
 Заголовок сообщения: Симфония 003
Непрочитанное сообщениеДобавлено: 05 дек 2022, 15:38 
Аватара пользователя

Откуда: Самара

На форуме с
Сообщений: 14455
Его благодарили: 2047
Да мож бухать меньше стал просто

-----------------
Нужна электрогитара:
https://audioes.ru/viewtopic.php?f=83&t=11945


  Не в сети Профиль Моя система (откроется в новой вкладке)  
 
 Заголовок сообщения: Симфония 003
Непрочитанное сообщениеДобавлено: 05 дек 2022, 16:21 
Злобный модератор
Аватара пользователя

Откуда: Город бесов

На форуме с
Сообщений: 25102
Его благодарили: 6027
На прежней квартире тоже АС стояли по короткой. 25 метров площадь. Моды задолбали. В точке прослушивания был провал по НЧ и зажатое плоское звучание. А у стены, за диваном басовый шторм. Смена АС ситуацию не исправляло, а двигать дизигн не позволял. До АС метра 4 было. В нынешней зал поменьше - 20 метров и АС стоят по длинной. До точки прослушивания чуть более 2 метров. Что ни ставь - всё играет

-----------------
Как модератор форума я рад любому вкладу, независимо от того, насколько он деструктивен.


  Не в сети Профиль Моя система (откроется в новой вкладке)  
 
 Заголовок сообщения: Симфония 003
Непрочитанное сообщениеДобавлено: 05 дек 2022, 16:45 
Забанен навсегда
Аватара пользователя

Возраст: 111
Откуда: Moskau

На форуме с
Сообщений: 5516
Его благодарили: 1072
...а вот я-то всегда гойварил - в реактор этих дюзюгъняров, на полезный биогаз... немедленно...


Вложения:
Biomass.png
Biomass.png [ 84.04 КБ | Просмотров: 10784 ]

-----------------
Глухой.
  Не в сети Профиль  
 
Показать сообщения за:  Поле сортировки  
Начать новую тему Ответить на тему  [ Сообщений: 107 ]  На страницу Пред.  1, 2, 3, 4  След.

Часовой пояс: UTC + 3 часа


Кто сейчас на форуме

Сейчас этот форум просматривают: нет зарегистрированных пользователей и гости: 1


Вы не можете начинать темы
Вы не можете отвечать на сообщения
Вы не можете редактировать свои сообщения
Вы не можете удалять свои сообщения
Вы не можете добавлять вложения

Найти:
Перейти:  

Создано на основе phpBB® Forum Software © phpBB Group
© 2013-2020 Sound Space - форум о музыке и аудиотехнике
Разработка логотипа - artcore.top

    hosted by .masterhost